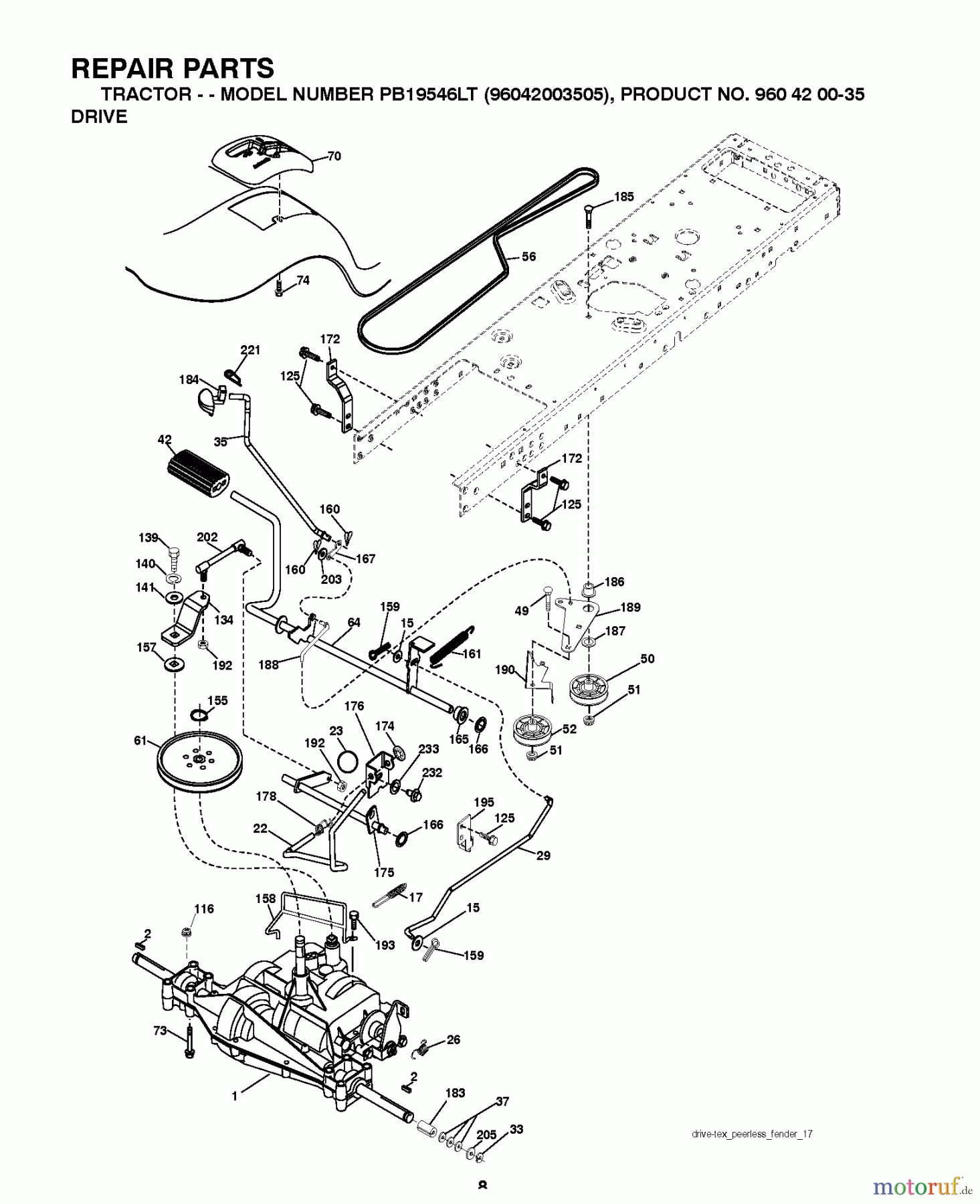
Poulan / Weed Eater PB19546LT (96048001700) - Poulan Pro Lawn Tractor (2010-12) DRIVE Ersatzteile
DRIVE PB19546LT (96048001700) - Poulan Pro Lawn Tractor (2010-12)

Hier finden Sie die Ersatzteilzeichnung für Poulan / Weed Eater Rasen und Gartentraktoren PB19546LT (96048001700) - Poulan Pro Lawn Tractor (2010-12) DRIVE. Wählen Sie das benötigte Ersatzteil aus der Ersatzteilliste Ihres Poulan / Weed Eater Gerätes aus und bestellen Sie einfach online. Viele Poulan / Weed Eater Ersatzteile halten wir ständig in unserem Lager für Sie bereit.










