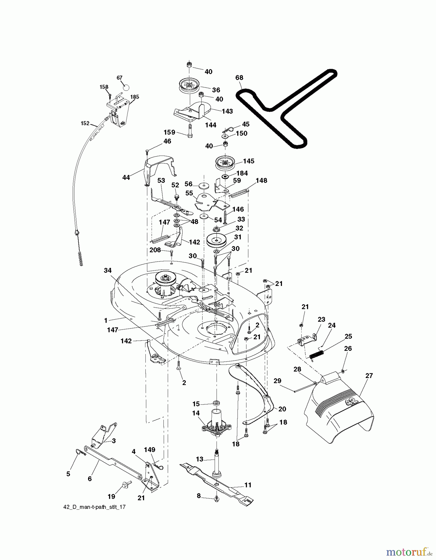
Poulan / Weed Eater PB17542LT (96012012600) - Poulan Pro Lawn Tractor (2012-08) MOWER DECK / CUTTING DECK Ersatzteile
MOWER DECK / CUTTING DECK PB17542LT (96012012600) - Poulan Pro Lawn Tractor (2012-08)

Hier finden Sie die Ersatzteilzeichnung für Poulan / Weed Eater Rasen und Gartentraktoren PB17542LT (96012012600) - Poulan Pro Lawn Tractor (2012-08) MOWER DECK / CUTTING DECK. Wählen Sie das benötigte Ersatzteil aus der Ersatzteilliste Ihres Poulan / Weed Eater Gerätes aus und bestellen Sie einfach online. Viele Poulan / Weed Eater Ersatzteile halten wir ständig in unserem Lager für Sie bereit.



















