Poulan / Weed Eater 418064 - Poulan Lawn Tractor (2006-06) SEAT Ersatzteile
SEAT 418064 - Poulan Lawn Tractor (2006-06)

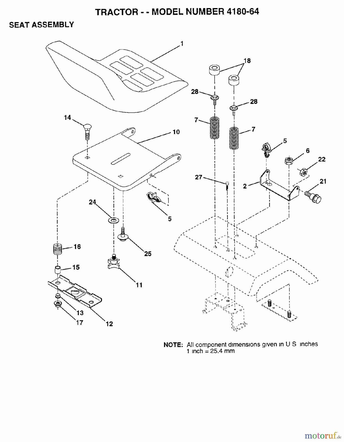
Hier finden Sie die Ersatzteilzeichnung für Poulan / Weed Eater Rasen und Gartentraktoren 418064 - Poulan Lawn Tractor (2006-06) SEAT. Wählen Sie das benötigte Ersatzteil aus der Ersatzteilliste Ihres Poulan / Weed Eater Gerätes aus und bestellen Sie einfach online. Viele Poulan / Weed Eater Ersatzteile halten wir ständig in unserem Lager für Sie bereit.


Qualitätsmanagement
Informieren Sie uns, wenn Sie einen Fehler gefunden haben.




