Poulan / Weed Eater 418054 - Poulan Lawn Tractor (2006-03) ENGINE Ersatzteile
ENGINE 418054 - Poulan Lawn Tractor (2006-03)

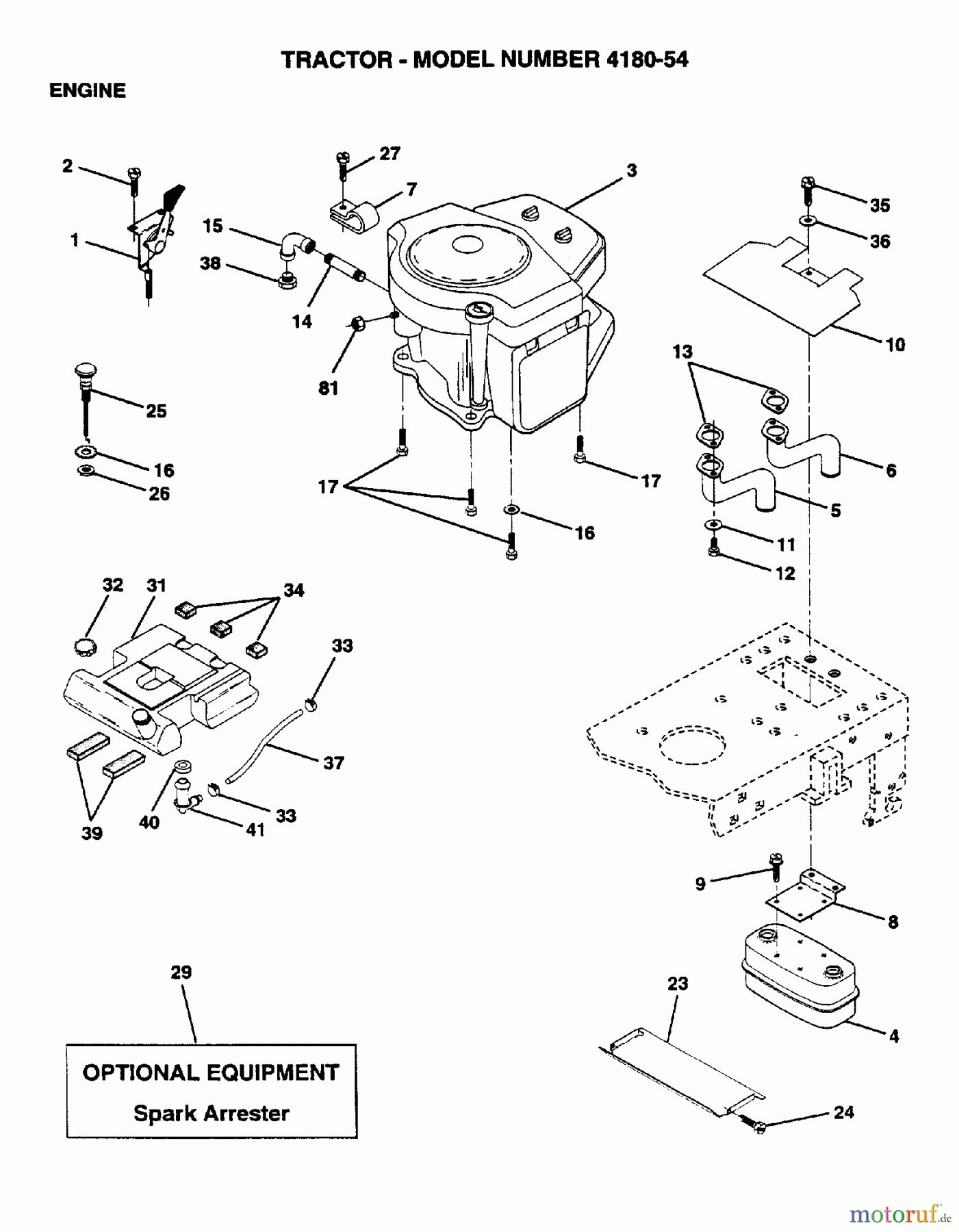
Hier finden Sie die Ersatzteilzeichnung für Poulan / Weed Eater Rasen und Gartentraktoren 418054 - Poulan Lawn Tractor (2006-03) ENGINE. Wählen Sie das benötigte Ersatzteil aus der Ersatzteilliste Ihres Poulan / Weed Eater Gerätes aus und bestellen Sie einfach online. Viele Poulan / Weed Eater Ersatzteile halten wir ständig in unserem Lager für Sie bereit.


Qualitätsmanagement
Informieren Sie uns, wenn Sie einen Fehler gefunden haben.




