Poulan / Weed Eater 418024 - Poulan Lawn Tractor (2006-01) DRIVE Ersatzteile
DRIVE 418024 - Poulan Lawn Tractor (2006-01)

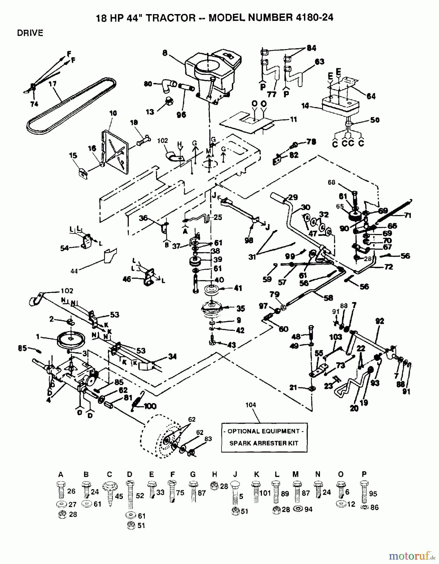
Hier finden Sie die Ersatzteilzeichnung für Poulan / Weed Eater Rasen und Gartentraktoren 418024 - Poulan Lawn Tractor (2006-01) DRIVE. Wählen Sie das benötigte Ersatzteil aus der Ersatzteilliste Ihres Poulan / Weed Eater Gerätes aus und bestellen Sie einfach online. Viele Poulan / Weed Eater Ersatzteile halten wir ständig in unserem Lager für Sie bereit.


Qualitätsmanagement
Informieren Sie uns, wenn Sie einen Fehler gefunden haben.










