Poulan / Weed Eater PP22 - Poulan Pro Hedge Trimmer Power Unit Ersatzteile
Power Unit PP22 - Poulan Pro Hedge Trimmer

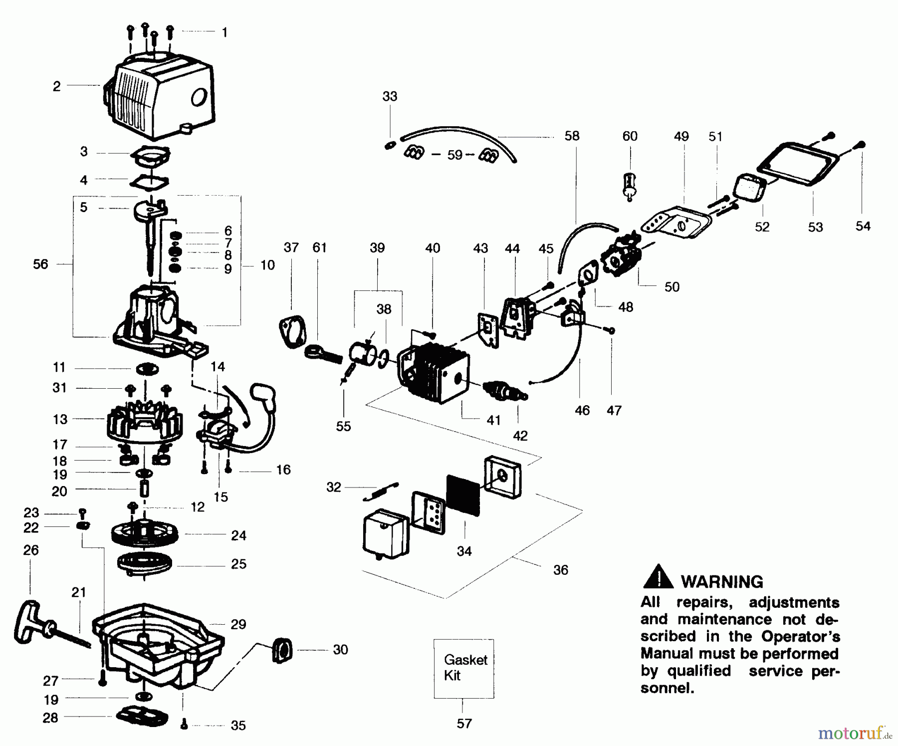
Hier finden Sie die Ersatzteilzeichnung für Poulan / Weed Eater Heckenscheren PP22 - Poulan Pro Hedge Trimmer Power Unit. Wählen Sie das benötigte Ersatzteil aus der Ersatzteilliste Ihres Poulan / Weed Eater Gerätes aus und bestellen Sie einfach online. Viele Poulan / Weed Eater Ersatzteile halten wir ständig in unserem Lager für Sie bereit.


Qualitätsmanagement
Informieren Sie uns, wenn Sie einen Fehler gefunden haben.






