Poulan / Weed Eater 1250 - Paramount Electric Edger EDGER ASSEMBLY Ersatzteile
EDGER ASSEMBLY 1250 - Paramount Electric Edger

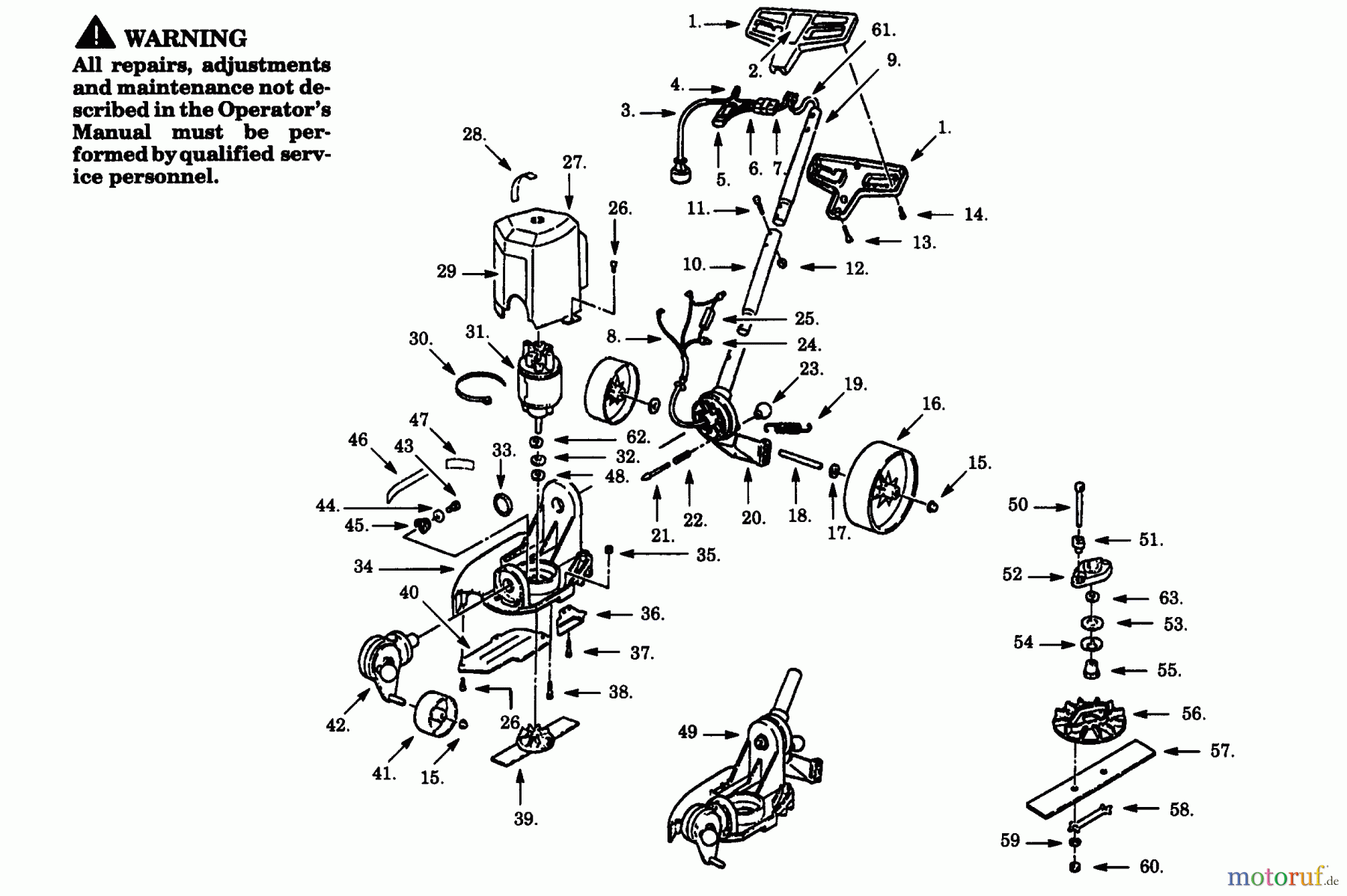
Hier finden Sie die Ersatzteilzeichnung für Poulan / Weed Eater Kantenschneider 1250 - Paramount Electric Edger EDGER ASSEMBLY. Wählen Sie das benötigte Ersatzteil aus der Ersatzteilliste Ihres Poulan / Weed Eater Gerätes aus und bestellen Sie einfach online. Viele Poulan / Weed Eater Ersatzteile halten wir ständig in unserem Lager für Sie bereit.
| BildNr | Artikel Nummer | Bezeichnung | |
| 1 | 534234225 | ||
| 2 | 534961400 | ||
| 2 | 534036838 | ||
| 3 | 534895701 | ||
| 4 | 534253201 | ||
| 5 | 534193004 | ||
| 6 | 534336501 | ||
| 7 | 534954300 | ||
| 8 | 534337000 | ||
| 9 | 534838000 | ||
| 9 | 534838001 | ||
| 10 | 534838100 | ||
| 10 | 534838101 | ||
| 11 | 534829600 | ||
| 12 | 534828300 | ||
| 12 | 530 40 30-94 | MUTTER | |
| 13 | 534790300 | ||
| 14 | 534790302 | ||
| 15 | 534121000 | ||
| 16 | 534236800 | ||
| 17 | 534137900 | ||
| 18 | 534137701 | ||
| 19 | 534121300 | ||
| 20 | 534137505 | ||
| 21 | 534700002 | ||
| 22 | 534710000 | ||
| 23 | 534720001 | ||
| 24 | 534561000 | ||
| 25 | 534134500 | ||
| 26 | 534826800 | ||
| 27 | 534824902 | ||
| 28 | 534838800 | ||
| 29 | 534961600 | ||
| 29 | 534036840 | ||
| 30 | 534134700 | ||
| 31 | 534961801 | ||
| 32 | 534938100 | ||
| 33 | 534780000 | ||
| 34 | 534130505 | ||
| 35 | 534315300 | ||
| 36 | 534830000 | ||
| 37 | 534315200 | ||
| 38 | 534136401 | ||
| 39 | 534135205 | ||
| 40 | 534131515 | ||
| 41 | 534240003 | ||
| 42 | 534130705 | ||
| 43 | 534779000 | ||
| 44 | 534778000 | ||
| 45 | 534120500 | ||
| 46 | 534838500 | ||
| 47 | 534961500 | ||
| 47 | 534036839 | ||
| 48 | 534757900 | ||
| 49 | 534135185 | ||
| 50 | 534135901 | ||
| 51 | 534135605 | ||
| 52 | 534135400 | ||
| 52 | 534135410 | ||
| 53 | 534136300 | ||
| 54 | 534238900 | ||
| 55 | 534135500 | ||
| 56 | 534135305 | ||
| 57 | 534205300 | ||
| 58 | 534135700 | ||
| 59 | 534136600 | ||
| 60 | 534136200 | ||
| 61 | 534337200 | ||
| 62 | 534246700 | ||
| 63 | 534758000 | ||
| 534886870 | |||
| 534068529 | |||
| 534500000 | |||
| 534061521 | |||


Qualitätsmanagement
Informieren Sie uns, wenn Sie einen Fehler gefunden haben.

