Poulan / Weed Eater PB250-00 - Paramount Electric Blower BLOWER ASSEMBLY Ersatzteile
BLOWER ASSEMBLY PB250-00 - Paramount Electric Blower

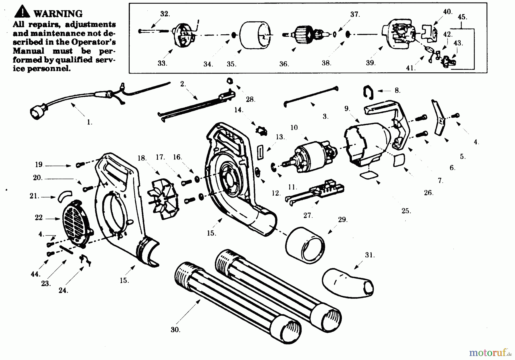
Hier finden Sie die Ersatzteilzeichnung für Poulan / Weed Eater Bläser / Sauger / Häcksler / Mulchgeräte PB250-00 - Paramount Electric Blower BLOWER ASSEMBLY. Wählen Sie das benötigte Ersatzteil aus der Ersatzteilliste Ihres Poulan / Weed Eater Gerätes aus und bestellen Sie einfach online. Viele Poulan / Weed Eater Ersatzteile halten wir ständig in unserem Lager für Sie bereit.
| BildNr | Artikel Nummer | Bezeichnung | |
| 1 | 534434002 | ||
| 2 | 534333502 | ||
| 3 | 534433801 | ||
| 4 | 534899900 | ||
| 5 | 534404355 | ||
| 6 | 534015772 | ||
| 7 | 534319705 | ||
| 8 | 534270100 | ||
| 9 | 534319602 | ||
| 10 | 534992001 | ||
| 11 | 534747002 | ||
| 12 | 534757900 | ||
| 13 | 534825400 | ||
| 14 | 534332506 | ||
| 15 | 534491702 | ||
| 16 | 534494604 | ||
| 17 | 534136401 | ||
| 18 | 534398315 | ||
| 19 | 534184700 | ||
| 20 | 534222400 | ||
| 21 | 534797200 | ||
| 22 | 534543305 | ||
| 23 | 534327201 | ||
| 24 | 534475900 | ||
| 25 | 534100481 | ||
| 26 | 534831900 | ||
| 27 | 534334100 | ||
| 28 | 534331805 | ||
| 29 | 534408415 | ||
| 30 | 534352705 | ||
| 31 | 534373405 | ||
| 32 | 534228700 | ||
| 33 | 534207101 | ||
| 34 | 534228800 | ||
| 35 | 534227001 | ||
| 36 | 534992401 | ||
| 37 | 534228802 | ||
| 38 | 534238903 | ||
| 39 | 534227501 | ||
| 40 | 534226000 | ||
| 41 | 534227800 | ||
| 42 | 534228000 | ||
| 43 | 534227700 | ||
| 44 | 534826801 | ||
| 45 | 534450400 | ||
| 46 | 534886570 | ||



