Black-Line BL 3546 S 12C-TF5B683 (2020) Getriebe, Keilriemen Ersatzteile
Getriebe, Keilriemen 12C-TF5B683 (2020)

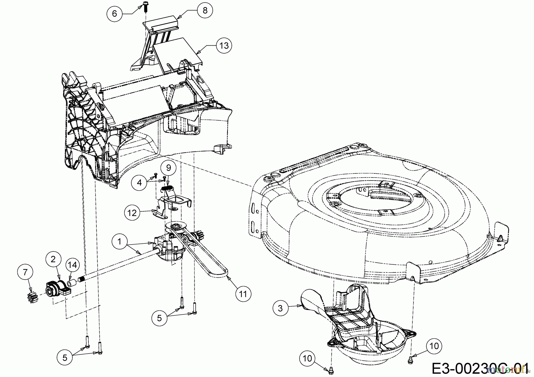
Hier finden Sie die Ersatzteilzeichnung für Black-Line Motormäher mit Antrieb BL 3546 S 12C-TF5B683 (2020) Getriebe, Keilriemen. Wählen Sie das benötigte Ersatzteil aus der Ersatzteilliste Ihres Black-Line Gerätes aus und bestellen Sie einfach online. Viele Black-Line Ersatzteile halten wir ständig in unserem Lager für Sie bereit.


Qualitätsmanagement
Informieren Sie uns, wenn Sie einen Fehler gefunden haben.








