Murray ST6524 (624650x16B) - Frontier 24" Dual Stage Snow Thrower (2007) Shift Yoke Ersatzteile
Shift Yoke ST6524 (624650x16B) - Frontier 24" Dual Stage Snow Thrower (2007)

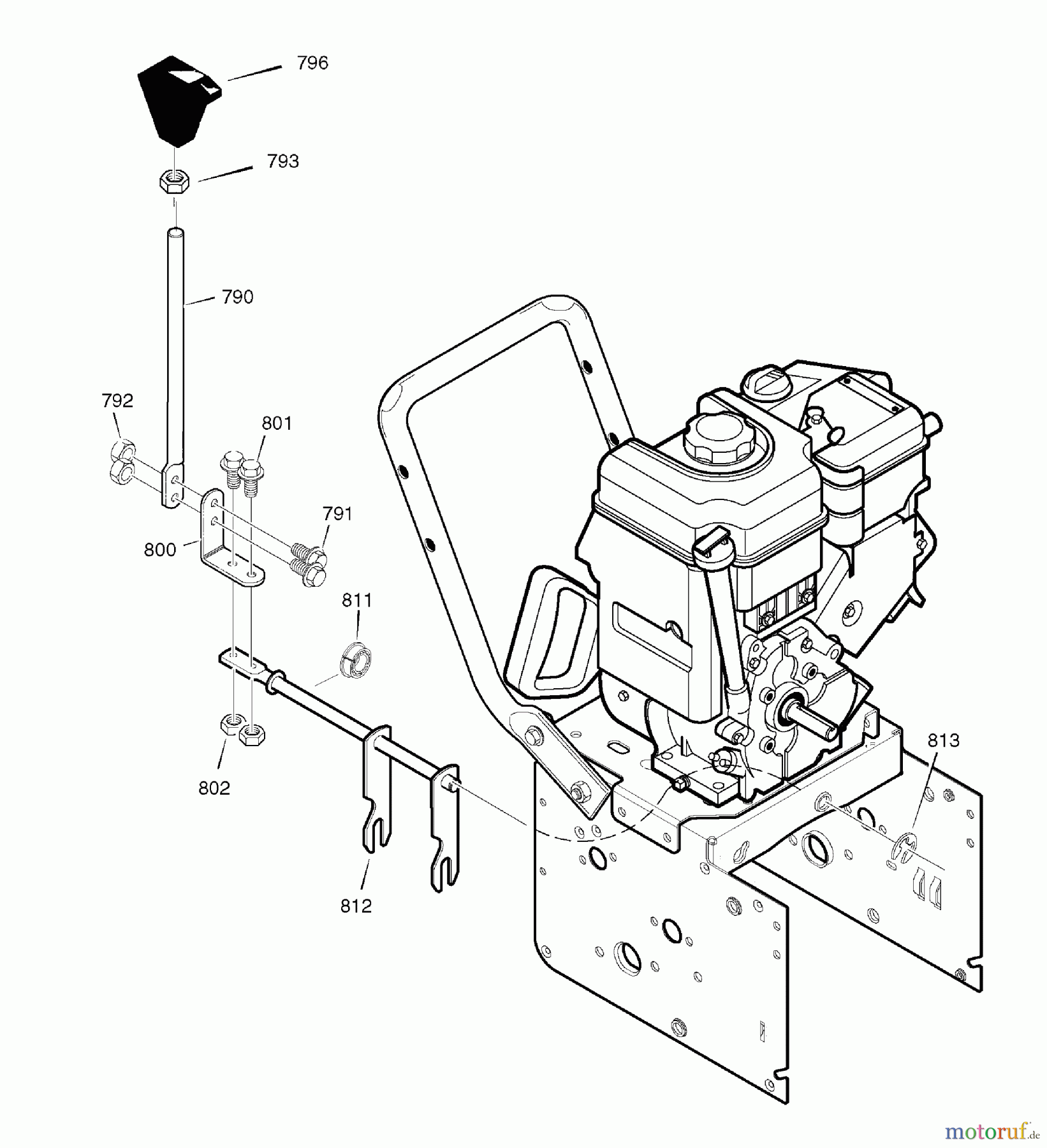
Hier finden Sie die Ersatzteilzeichnung für Murray Schneefräsen ST6524 (624650x16B) - Frontier 24" Dual Stage Snow Thrower (2007) Shift Yoke. Wählen Sie das benötigte Ersatzteil aus der Ersatzteilliste Ihres Murray Gerätes aus und bestellen Sie einfach online. Viele Murray Ersatzteile halten wir ständig in unserem Lager für Sie bereit.
| BildNr | Artikel Nummer | Bezeichnung | |
| 790 | BSMT581631E701MA | ||
| 791 | BSMT302628MA | SCHRAUBE.25-20X0.75 HHC | |
| 792 | BSMT73826MA | NUT.25-20 HEX CTRL0CK | |
| 793 | BSMT318486MA | ||
| 796 | BSMT304438MA | ||
| 800 | BSMT760564MA | SCHALTHEBEL FEDER | |
| 801 | BSMT302628MA | SCHRAUBE.25-20X0.75 HHC | |
| 802 | BSMT73826MA | NUT.25-20 HEX CTRL0CK | |
| 811 | BSMT579944MA | BRNG,FLNG.500IDX0.875 | |
| 812 | BSMT1501085YZMA | ||
| 813 | BSMT11X30MA | ||


Qualitätsmanagement
Informieren Sie uns, wenn Sie einen Fehler gefunden haben.

