Murray ST1129 (629110x16B) - Frontier 29" Dual Stage Snow Thrower (2004) Engine Ersatzteile
Engine ST1129 (629110x16B) - Frontier 29" Dual Stage Snow Thrower (2004)

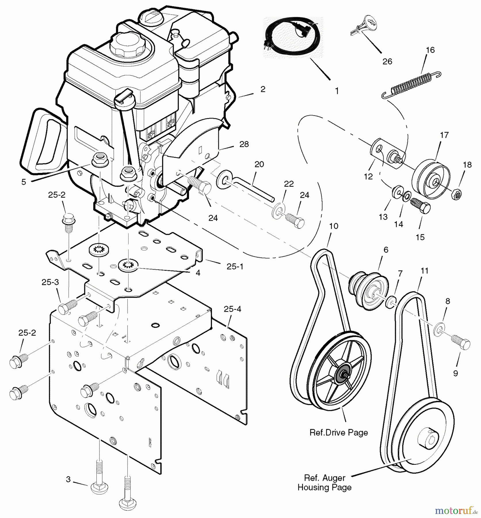
Hier finden Sie die Ersatzteilzeichnung für Murray Schneefräsen ST1129 (629110x16B) - Frontier 29" Dual Stage Snow Thrower (2004) Engine. Wählen Sie das benötigte Ersatzteil aus der Ersatzteilliste Ihres Murray Gerätes aus und bestellen Sie einfach online. Viele Murray Ersatzteile halten wir ständig in unserem Lager für Sie bereit.
| BildNr | Artikel Nummer | Bezeichnung | |
| 1 | BSMT6219 | ||
| 2 | BS | Eingangswelle UE 600 | |
| 3 | BS002X97MA | BOLT, CARR 5/16 | |
| 4 | BS028X76MA | SCHNELLMUTTER | |
| 5 | BSMT710026 | ||
| 6 | BSMT1501109 | ||
| 7 | BSMT710247 | ||
| 8 | BSMT71063 | ||
| 9 | BSMT71015 | ||
| 10 | BSMT579932 | ||
| 11 | BSMT585416 | ||
| 12 | BS1501112YZMA | IDLER BRKT ASY,DR-BEL | |
| 13 | BSMT1501065 | ||
| 14 | BSMT71060 | ||
| 15 | BSMT710097 | ||
| 16 | BSMT53704 | ||
| 17 | BSMT50793 | ||
| 18 | BS590MA | MUTTER.38-16 HEX JAM CTR | |
| 20 | BSMT1501201 | ||
| 22 | BSMT71060 | ||
| 24 | BSMT710097 | ||
| 25 | BS | Eingangswelle UE 600 | |
| 25-1 | BSMT1501062E511 | ||
| 25-2 | BSMT310169 | ||
| 25-3 | BS25X020MA | SCREW.31-18X0.50 WAHH | |
| 25-4 | BSMT1501049E511 | ||
| 26 | BSMT1501214 | ||
| 28 | BS1501994ZMA | SCHILD-B&S MOTOR 9-13HP | |
| -- | BSF-0410104L | ||



