Murray ST1028 (628104x16B) - Frontier 28" Dual Stage Snow Thrower (2004) Drive Ersatzteile
Drive ST1028 (628104x16B) - Frontier 28" Dual Stage Snow Thrower (2004)

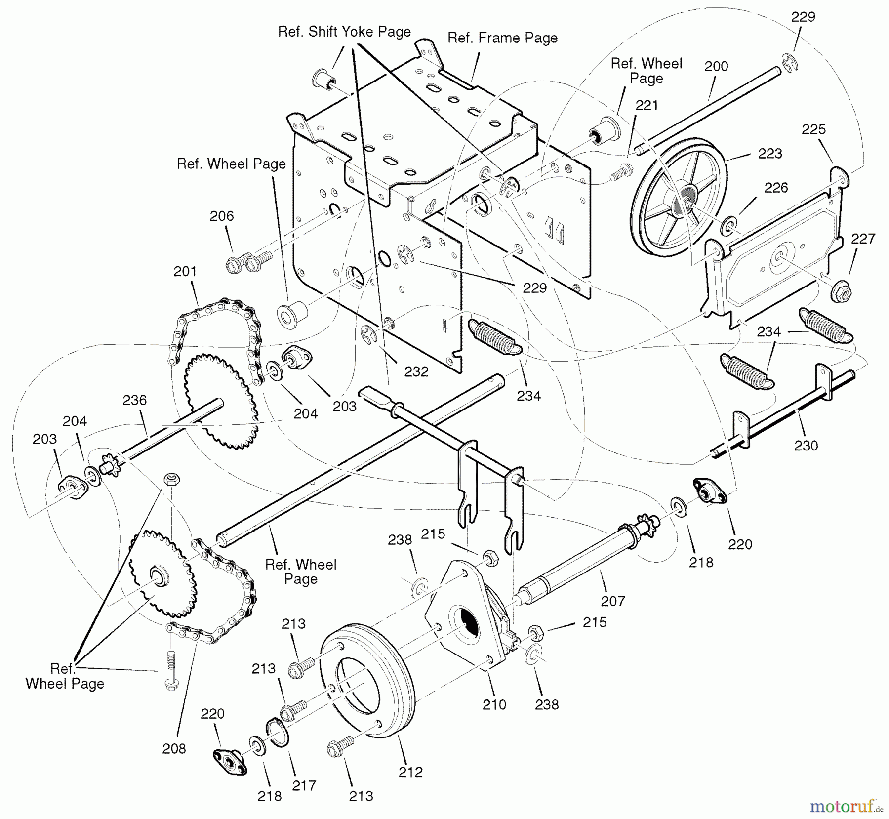
Hier finden Sie die Ersatzteilzeichnung für Murray Schneefräsen ST1028 (628104x16B) - Frontier 28" Dual Stage Snow Thrower (2004) Drive. Wählen Sie das benötigte Ersatzteil aus der Ersatzteilliste Ihres Murray Gerätes aus und bestellen Sie einfach online. Viele Murray Ersatzteile halten wir ständig in unserem Lager für Sie bereit.
| BildNr | Artikel Nummer | Bezeichnung | |
| 200 | BS1501092YZMA | AXLE,SWING PLATE | |
| 201 | BSMT579851 | ||
| 203 | BSMT334163 | ||
| 204 | BSMT579858 | ||
| 206 | BS25X020MA | SCREW.31-18X0.50 WAHH | |
| 207 | BSMT1501100 | ||
| 208 | BSMT579868 | ||
| 210 | BSMT337029 | ||
| 212 | BSMT1501435 | ||
| 213 | BS001X38MA | SECHSKANTBOLZEN .25 20X0.62 | |
| 215 | BS303008MA | NUT, 1/4-20 HEXKEPS Y | |
| 217 | BS579859MA | RING,RETEXT .54X.03TR | |
| 218 | BSMT579858 | ||
| 220 | BSMT334163 | ||
| 221 | BSMT25X020 | ||
| 223 | BSMT1501115 | ||
| 225 | BS1501057YZMA | SCHWINGBLECH | |
| 226 | BSMT1501158 | ||
| 227 | BSMT15X114 | ||
| 229 | BS11X30MA | RETAINER, RING 7/16 Y | |
| 230 | BS1501107YZMA | FEDERSTANGE KOMPL. STD | |
| 232 | BSMT11X30 | ||
| 234 | BSMT165X112 | ||
| 236 | BSMT1501090 | ||
| 238 | BSMT71074 | ||



