Murray ST0726 (626750x16B) - Frontier 26" Dual Stage Snow Thrower (2004) Drive Ersatzteile
Drive ST0726 (626750x16B) - Frontier 26" Dual Stage Snow Thrower (2004)

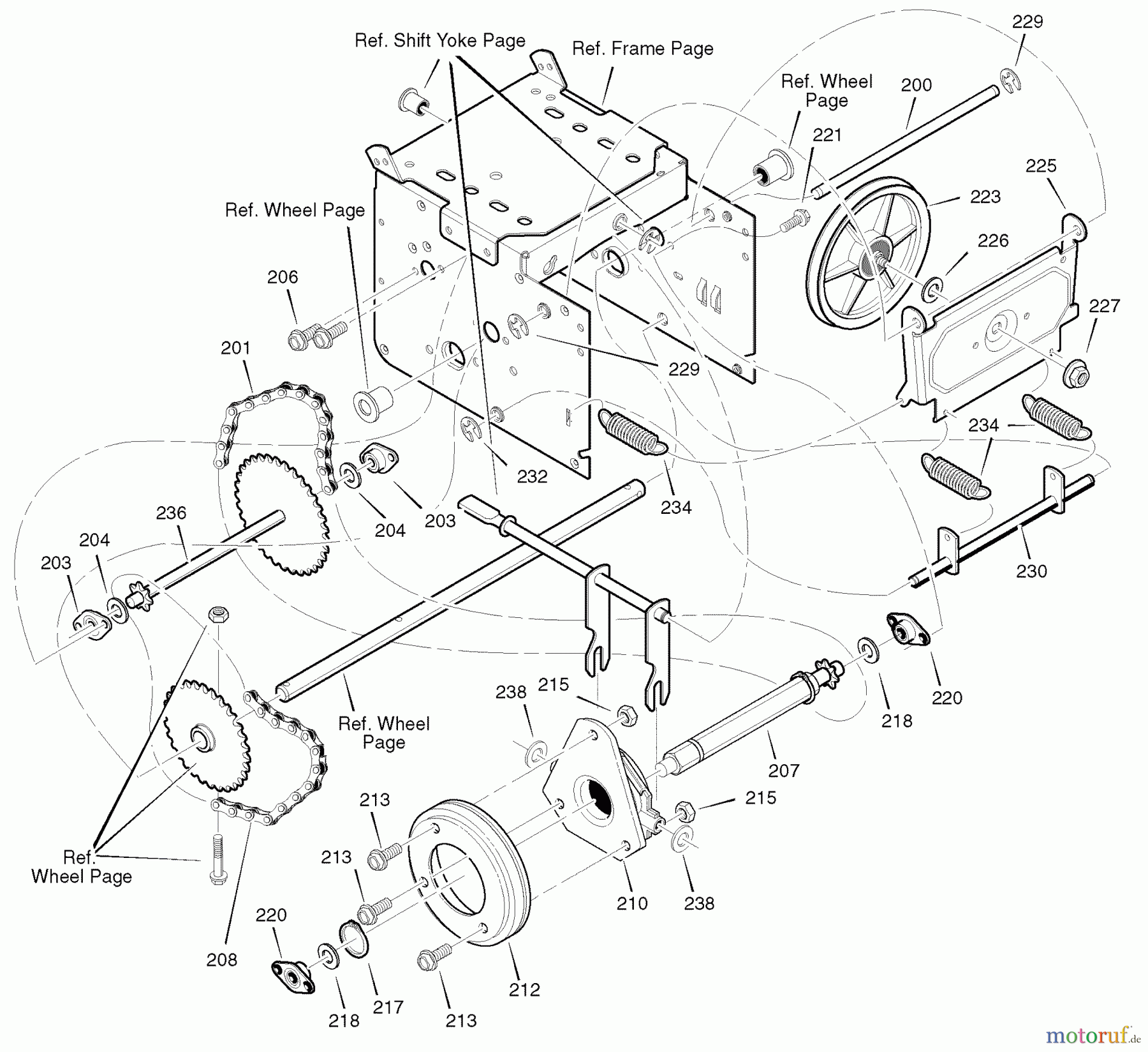
Hier finden Sie die Ersatzteilzeichnung für Murray Schneefräsen ST0726 (626750x16B) - Frontier 26" Dual Stage Snow Thrower (2004) Drive. Wählen Sie das benötigte Ersatzteil aus der Ersatzteilliste Ihres Murray Gerätes aus und bestellen Sie einfach online. Viele Murray Ersatzteile halten wir ständig in unserem Lager für Sie bereit.
| BildNr | Artikel Nummer | Bezeichnung | |
| 200 | BS1501092YZMA | AXLE,SWING PLATE | |
| 201 | BSMT579851 | ||
| 203 | BSMT334163 | ||
| 204 | BSMT579858 | ||
| 206 | BS25X020MA | SCREW.31-18X0.50 WAHH | |
| 207 | BSMT1501100 | ||
| 208 | BSMT579868 | ||
| 210 | BSMT337029 | ||
| 212 | BSMT1501435 | ||
| 213 | BS001X38MA | SECHSKANTBOLZEN .25 20X0.62 | |
| 215 | BS303008MA | NUT, 1/4-20 HEXKEPS Y | |
| 217 | BS579859MA | RING,RETEXT .54X.03TR | |
| 218 | BSMT579858 | ||
| 220 | BSMT334163 | ||
| 221 | BSMT25X020 | ||
| 223 | BSMT1501115 | ||
| 225 | BS1501057YZMA | SCHWINGBLECH | |
| 226 | BSMT1501158 | ||
| 227 | BSMT15X114 | ||
| 229 | BS11X30MA | RETAINER, RING 7/16 Y | |
| 230 | BS1501107YZMA | FEDERSTANGE KOMPL. STD | |
| 232 | BSMT11X30 | ||
| 234 | BSMT165X112 | ||
| 236 | BSMT1501090 | ||
| 238 | BSMT71074 | ||



