Murray CH61900 (1696052) - Canadiana 24" Dual Stage Snow Thrower (2011) Engine Group (2989304) Ersatzteile
Engine Group (2989304) CH61900 (1696052) - Canadiana 24" Dual Stage Snow Thrower (2011)

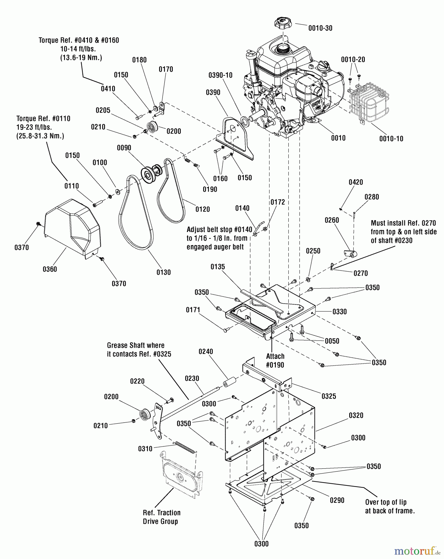
Hier finden Sie die Ersatzteilzeichnung für Murray Schneefräsen CH61900 (1696052) - Canadiana 24" Dual Stage Snow Thrower (2011) Engine Group (2989304). Wählen Sie das benötigte Ersatzteil aus der Ersatzteilliste Ihres Murray Gerätes aus und bestellen Sie einfach online. Viele Murray Ersatzteile halten wir ständig in unserem Lager für Sie bereit.


Qualitätsmanagement
Informieren Sie uns, wenn Sie einen Fehler gefunden haben.



