Murray BH1730SE (1696256-00) - Briggs & Stratton 30" Dual Stage Snowthrower, 16.5HP (CE) (2012) Engine & Frame Group (2990429) Ersatzteile
Engine & Frame Group (2990429) BH1730SE (1696256-00) - Briggs & Stratton 30" Dual Stage Snowthrower, 16.5HP (CE) (2012)

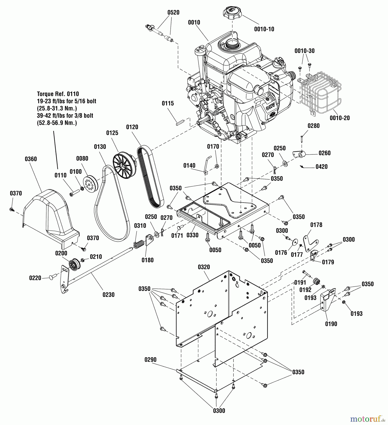
Hier finden Sie die Ersatzteilzeichnung für Murray Schneefräsen BH1730SE (1696256-00) - Briggs & Stratton 30" Dual Stage Snowthrower, 16.5HP (CE) (2012) Engine & Frame Group (2990429). Wählen Sie das benötigte Ersatzteil aus der Ersatzteilliste Ihres Murray Gerätes aus und bestellen Sie einfach online. Viele Murray Ersatzteile halten wir ständig in unserem Lager für Sie bereit.


Qualitätsmanagement
Informieren Sie uns, wenn Sie einen Fehler gefunden haben.



