Murray 824ES (1696047) - 24" Dual Stage Snowthrower (2011) Engine Group (2990046) Ersatzteile
Engine Group (2990046) 824ES (1696047) - Murray 24" Dual Stage Snowthrower (2011)

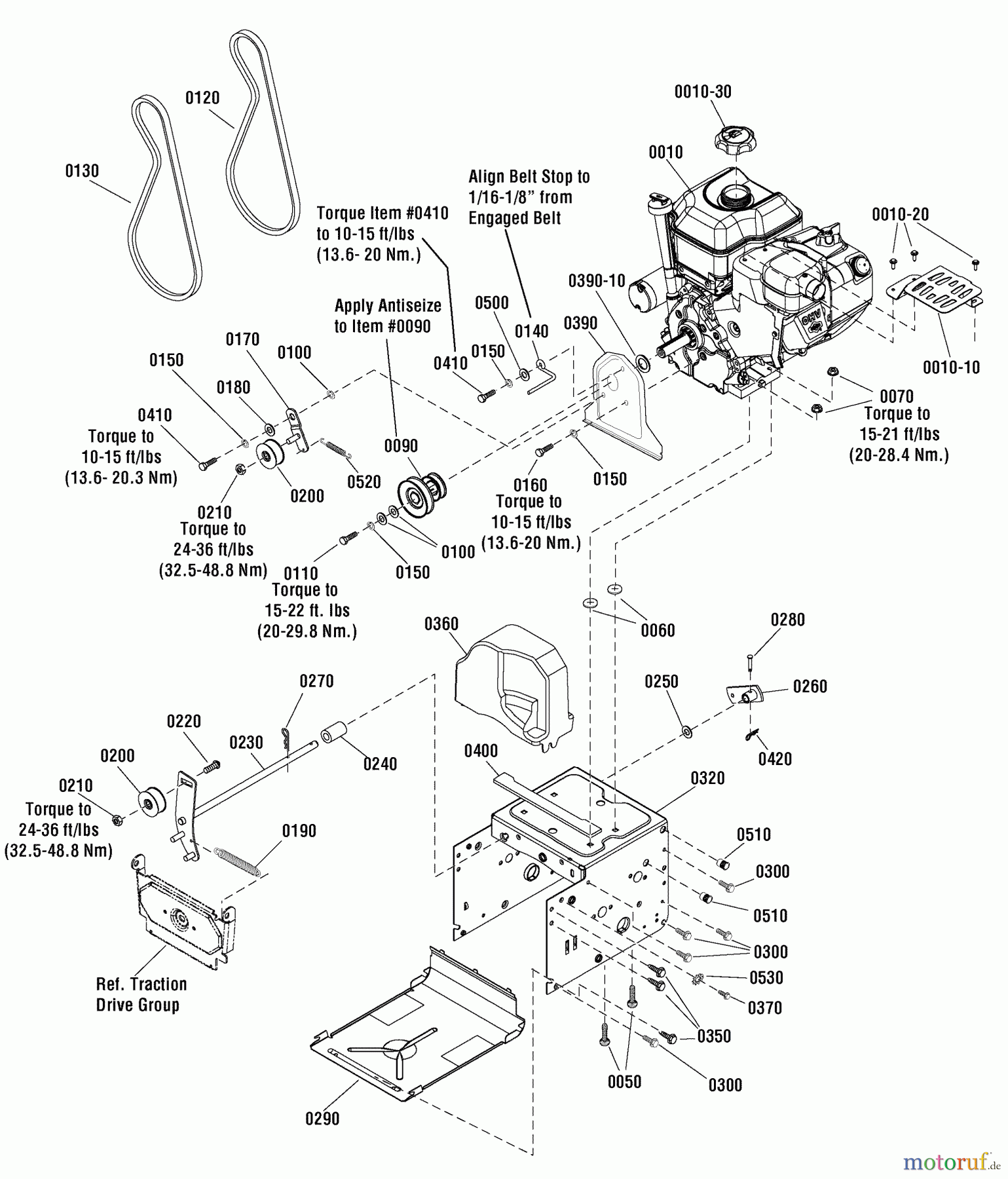
Hier finden Sie die Ersatzteilzeichnung für Murray Schneefräsen 824ES (1696047) - Murray 24" Dual Stage Snowthrower (2011) Engine Group (2990046). Wählen Sie das benötigte Ersatzteil aus der Ersatzteilliste Ihres Murray Gerätes aus und bestellen Sie einfach online. Viele Murray Ersatzteile halten wir ständig in unserem Lager für Sie bereit.


Qualitätsmanagement
Informieren Sie uns, wenn Sie einen Fehler gefunden haben.




