Murray 726E (LP18976) (1695620) - John Deere 26" Dual Stage Snow Thrower (2009) Engine & Frame Group (2988630) Ersatzteile
Engine & Frame Group (2988630) 726E (LP18976) (1695620) - John Deere 26" Dual Stage Snow Thrower (2009)

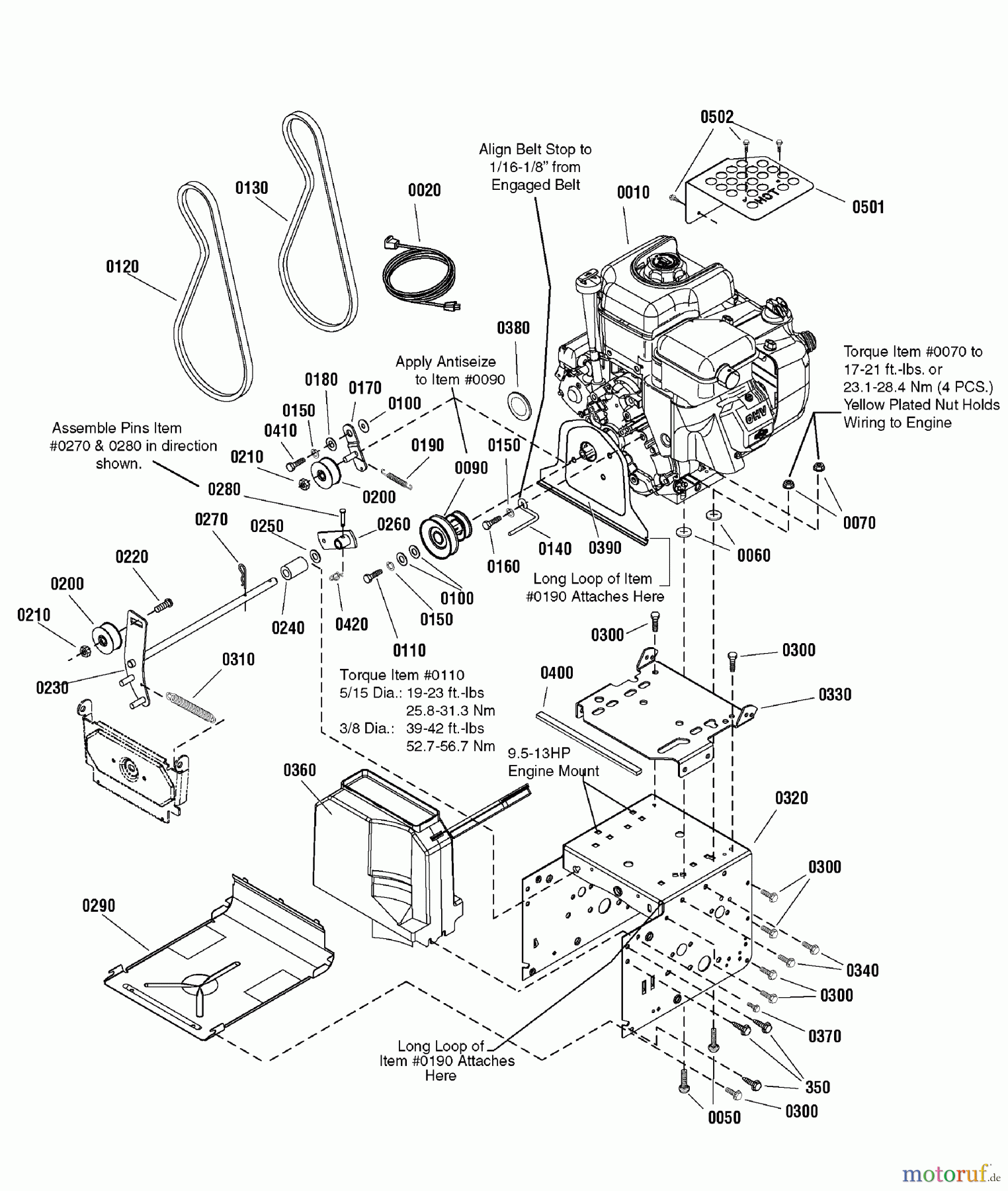
Hier finden Sie die Ersatzteilzeichnung für Murray Schneefräsen 726E (LP18976) (1695620) - John Deere 26" Dual Stage Snow Thrower (2009) Engine & Frame Group (2988630). Wählen Sie das benötigte Ersatzteil aus der Ersatzteilliste Ihres Murray Gerätes aus und bestellen Sie einfach online. Viele Murray Ersatzteile halten wir ständig in unserem Lager für Sie bereit.





