Murray 633128x43A - Yard King 33" Dual Stage Snow Thrower (2003) Control Panel Ersatzteile
Control Panel 633128x43A - Yard King 33" Dual Stage Snow Thrower (2003)

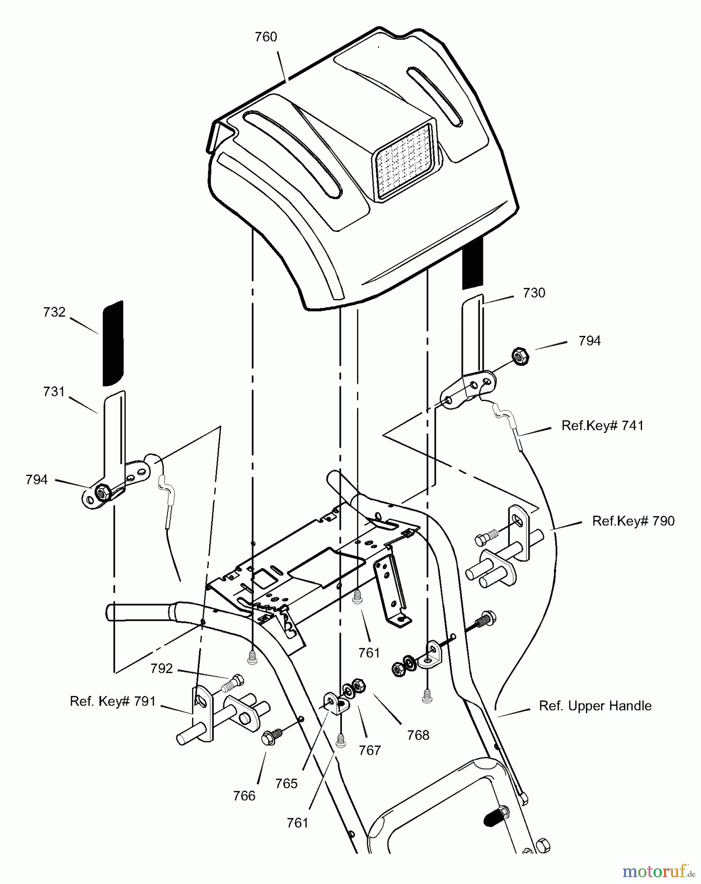
Hier finden Sie die Ersatzteilzeichnung für Murray Schneefräsen 633128x43A - Yard King 33" Dual Stage Snow Thrower (2003) Control Panel. Wählen Sie das benötigte Ersatzteil aus der Ersatzteilliste Ihres Murray Gerätes aus und bestellen Sie einfach online. Viele Murray Ersatzteile halten wir ständig in unserem Lager für Sie bereit.



