Murray 629108x30A - 29" Dual Stage Snow Thrower (2003) Drive Ersatzteile
Drive 629108x30A - Murray 29" Dual Stage Snow Thrower (2003)

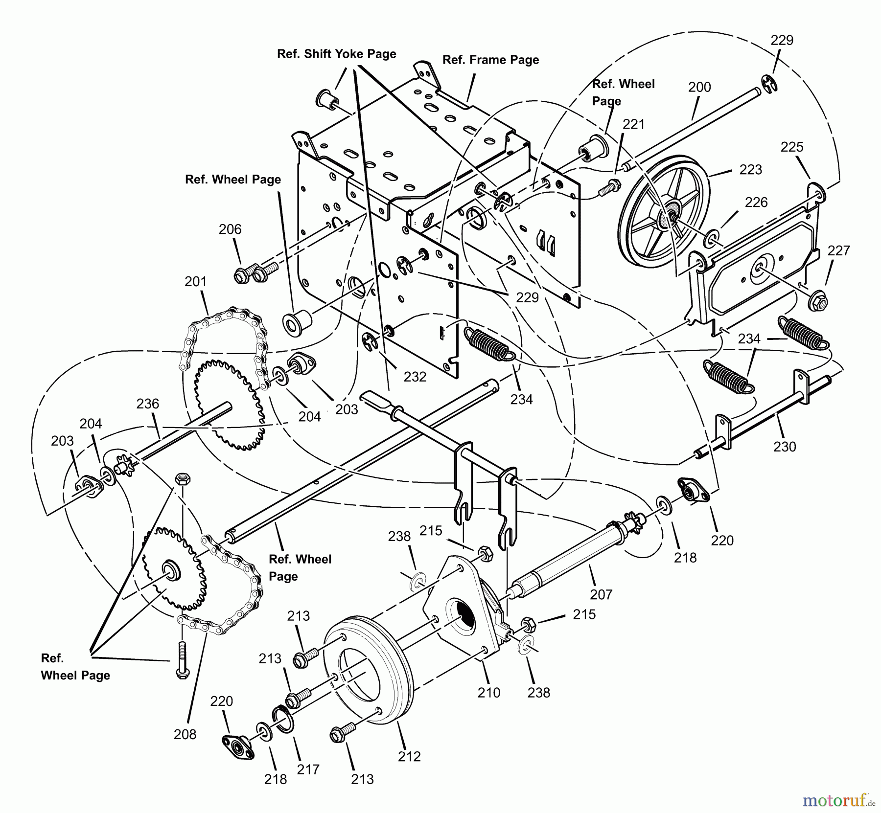
Hier finden Sie die Ersatzteilzeichnung für Murray Schneefräsen 629108x30A - Murray 29" Dual Stage Snow Thrower (2003) Drive. Wählen Sie das benötigte Ersatzteil aus der Ersatzteilliste Ihres Murray Gerätes aus und bestellen Sie einfach online. Viele Murray Ersatzteile halten wir ständig in unserem Lager für Sie bereit.




