Murray 624808x6A - Ultra 24" Dual Stage Snow Thrower (2001) Frame Ersatzteile
Frame 624808x6A - Murray Ultra 24" Dual Stage Snow Thrower (2001)

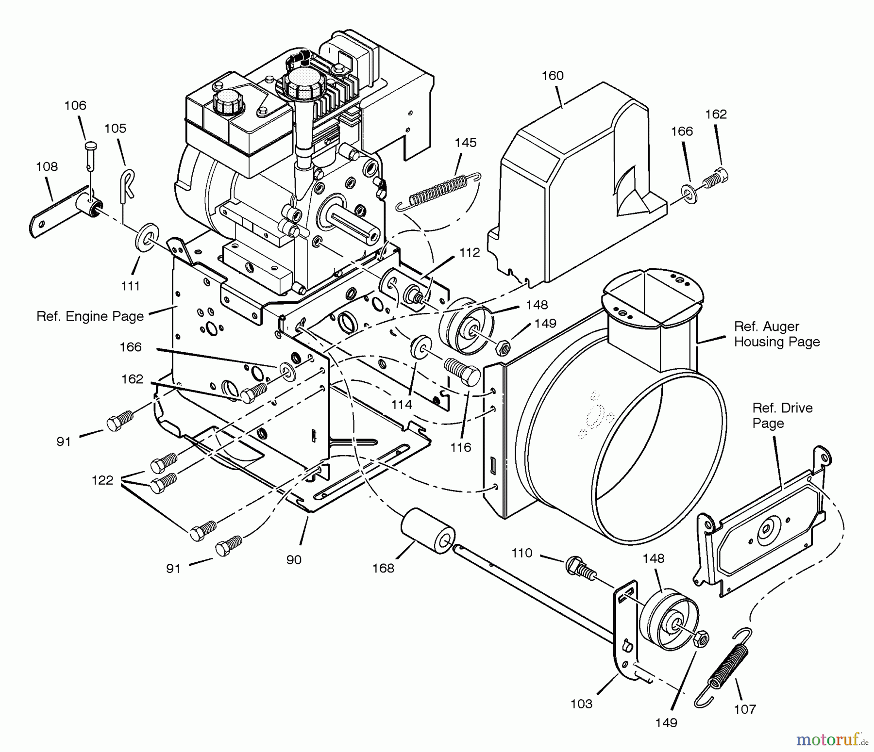
Hier finden Sie die Ersatzteilzeichnung für Murray Schneefräsen 624808x6A - Murray Ultra 24" Dual Stage Snow Thrower (2001) Frame. Wählen Sie das benötigte Ersatzteil aus der Ersatzteilliste Ihres Murray Gerätes aus und bestellen Sie einfach online. Viele Murray Ersatzteile halten wir ständig in unserem Lager für Sie bereit.


Qualitätsmanagement
 Informieren Sie uns, wenn Sie einen Fehler gefunden haben.


