Murray 622518x31C - Scotts 22" Dual Stage Snow Thrower (2001) (Home Depot) Frame Ersatzteile
Frame 622518x31C - Scotts 22" Dual Stage Snow Thrower (2001) (Home Depot)

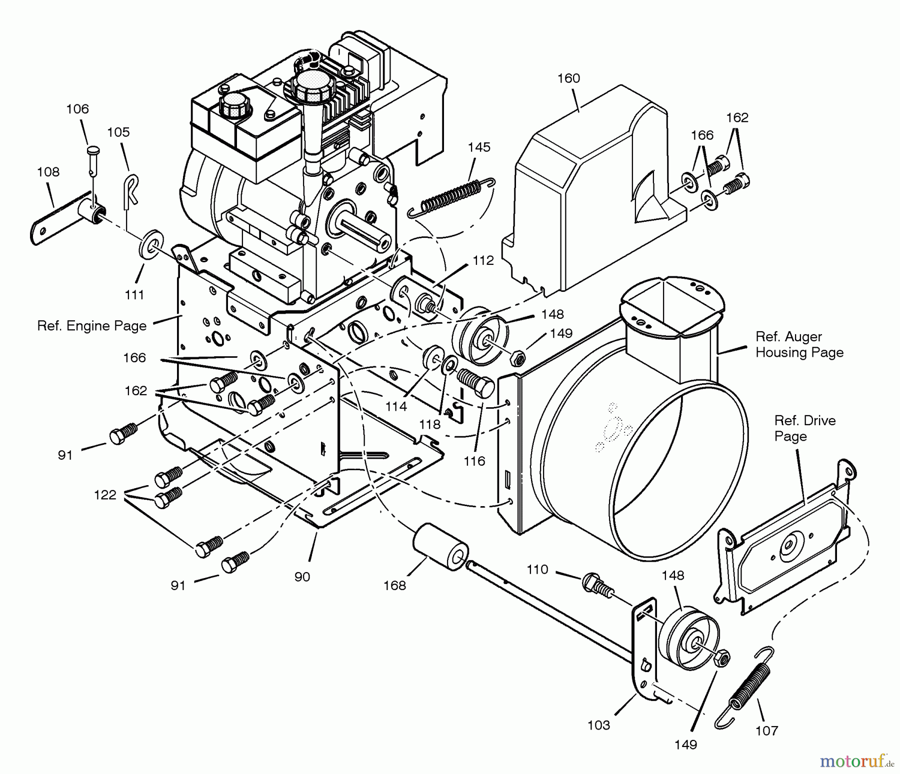
Hier finden Sie die Ersatzteilzeichnung für Murray Schneefräsen 622518x31C - Scotts 22" Dual Stage Snow Thrower (2001) (Home Depot) Frame. Wählen Sie das benötigte Ersatzteil aus der Ersatzteilliste Ihres Murray Gerätes aus und bestellen Sie einfach online. Viele Murray Ersatzteile halten wir ständig in unserem Lager für Sie bereit.


Qualitätsmanagement
Informieren Sie uns, wenn Sie einen Fehler gefunden haben.


