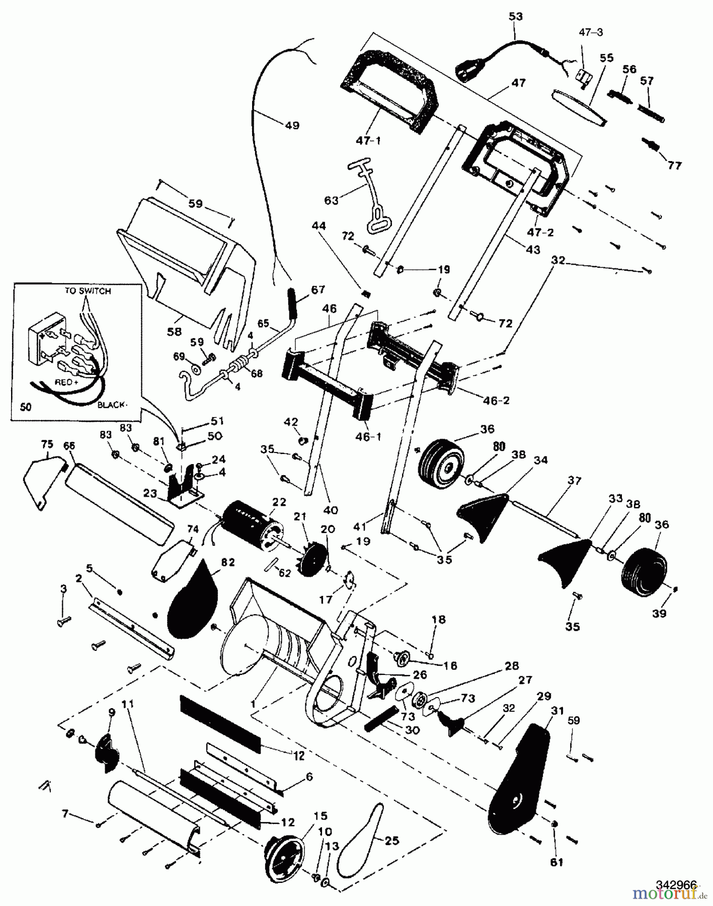
Murray 615000x30NB - 15" Single Stage Snow Thrower (2003) General Assembly Ersatzteile
General Assembly 615000x30NB - Murray 15" Single Stage Snow Thrower (2003)

Hier finden Sie die Ersatzteilzeichnung für Murray Schneefräsen 615000x30NB - Murray 15" Single Stage Snow Thrower (2003) General Assembly. Wählen Sie das benötigte Ersatzteil aus der Ersatzteilliste Ihres Murray Gerätes aus und bestellen Sie einfach online. Viele Murray Ersatzteile halten wir ständig in unserem Lager für Sie bereit.




