Murray 612100x4NA - 12" Single Stage Snow Thrower (2004) General Assembly Ersatzteile
General Assembly 612100x4NA - Murray 12" Single Stage Snow Thrower (2004)

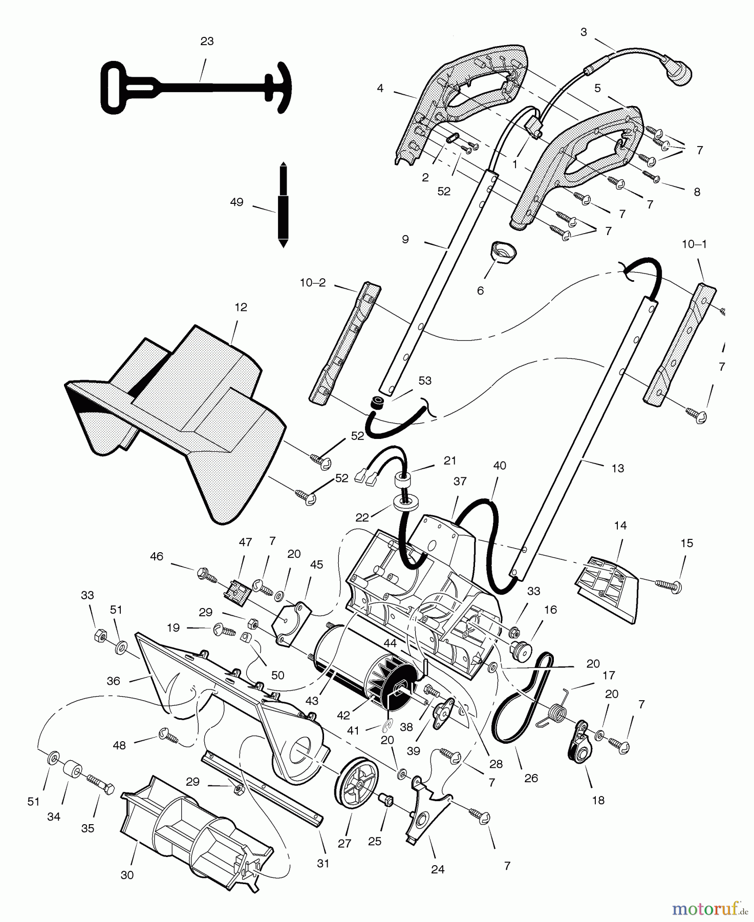
Hier finden Sie die Ersatzteilzeichnung für Murray Schneefräsen 612100x4NA - Murray 12" Single Stage Snow Thrower (2004) General Assembly. Wählen Sie das benötigte Ersatzteil aus der Ersatzteilliste Ihres Murray Gerätes aus und bestellen Sie einfach online. Viele Murray Ersatzteile halten wir ständig in unserem Lager für Sie bereit.


Qualitätsmanagement
Informieren Sie uns, wenn Sie einen Fehler gefunden haben.

