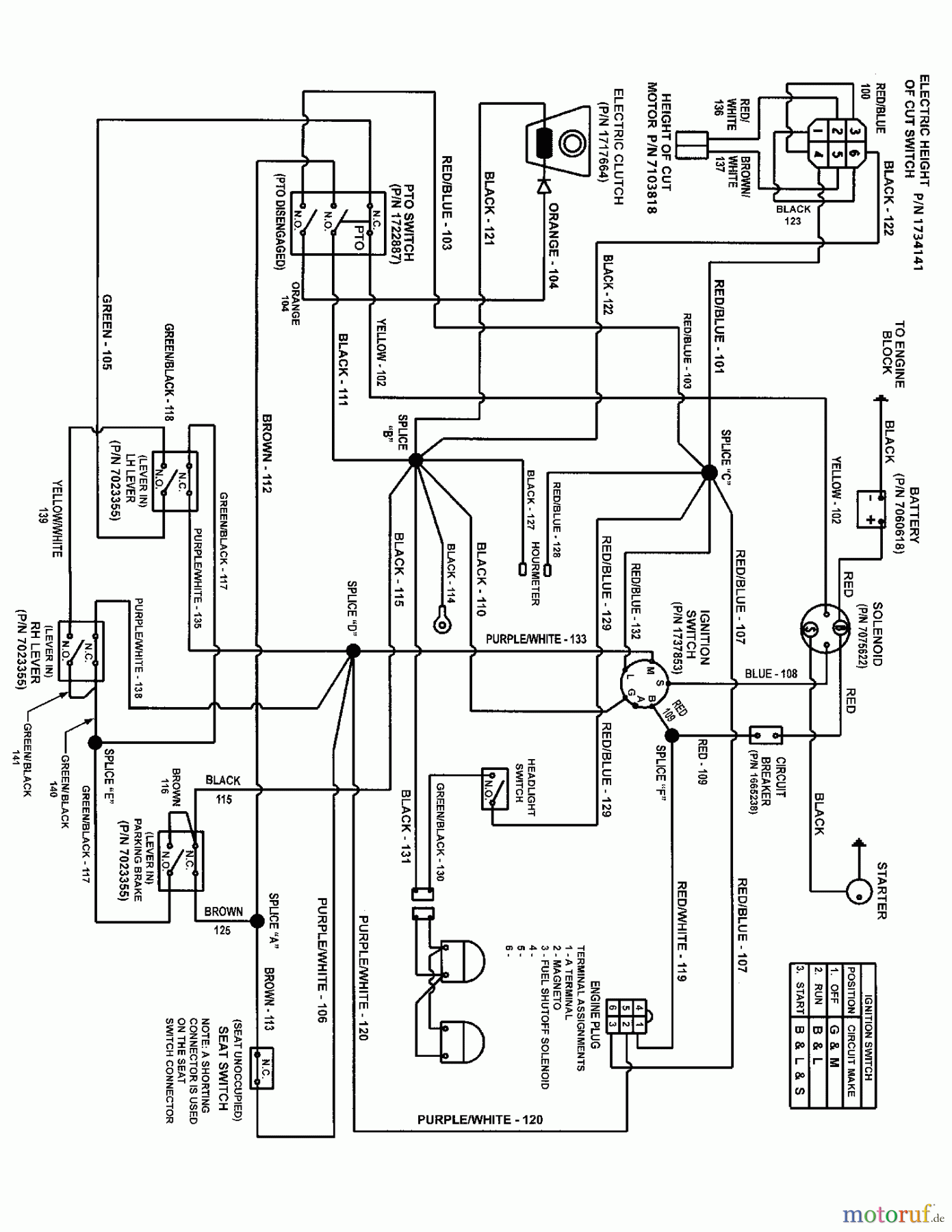
Murray RZT26520 (2691079-01) - 52" Zero Turn Rider, 26HP (2012) Wiring Schematic (5366wsche) Ersatzteile
Wiring Schematic (5366wsche) RZT26520 (2691079-01) - Murray 52" Zero Turn Rider, 26HP (2012)

Hier finden Sie die Ersatzteilzeichnung für Murray Nullwendekreismäher, Zero-Turn RZT26520 (2691079-01) - Murray 52" Zero Turn Rider, 26HP (2012) Wiring Schematic (5366wsche). Wählen Sie das benötigte Ersatzteil aus der Ersatzteilliste Ihres Murray Gerätes aus und bestellen Sie einfach online. Viele Murray Ersatzteile halten wir ständig in unserem Lager für Sie bereit.
| BildNr | Artikel Nummer | Bezeichnung | |
| -- | BS7103412YP | HARNESS, WIRING, ZT | |



