Murray EZT2042 (2691041-02) - 42" Zero Turn Rider, 20HP (2013) Engine Group - 20HP Briggs & Stratton (2990285) Ersatzteile
Engine Group - 20HP Briggs & Stratton (2990285) EZT2042 (2691041-02) - Murray 42" Zero Turn Rider, 20HP (2013)

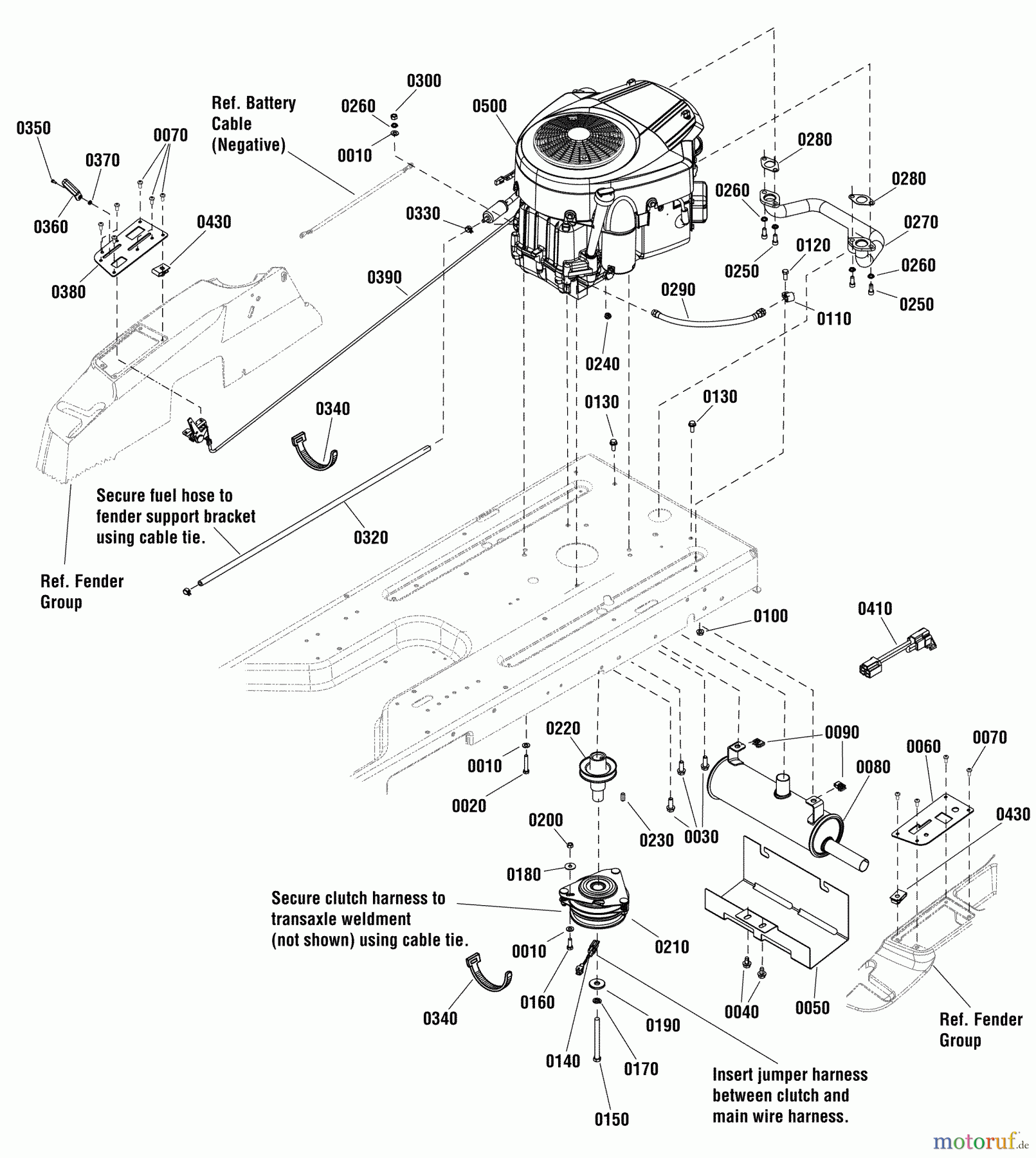
Hier finden Sie die Ersatzteilzeichnung für Murray Nullwendekreismäher, Zero-Turn EZT2042 (2691041-02) - Murray 42" Zero Turn Rider, 20HP (2013) Engine Group - 20HP Briggs & Stratton (2990285). Wählen Sie das benötigte Ersatzteil aus der Ersatzteilliste Ihres Murray Gerätes aus und bestellen Sie einfach online. Viele Murray Ersatzteile halten wir ständig in unserem Lager für Sie bereit.




