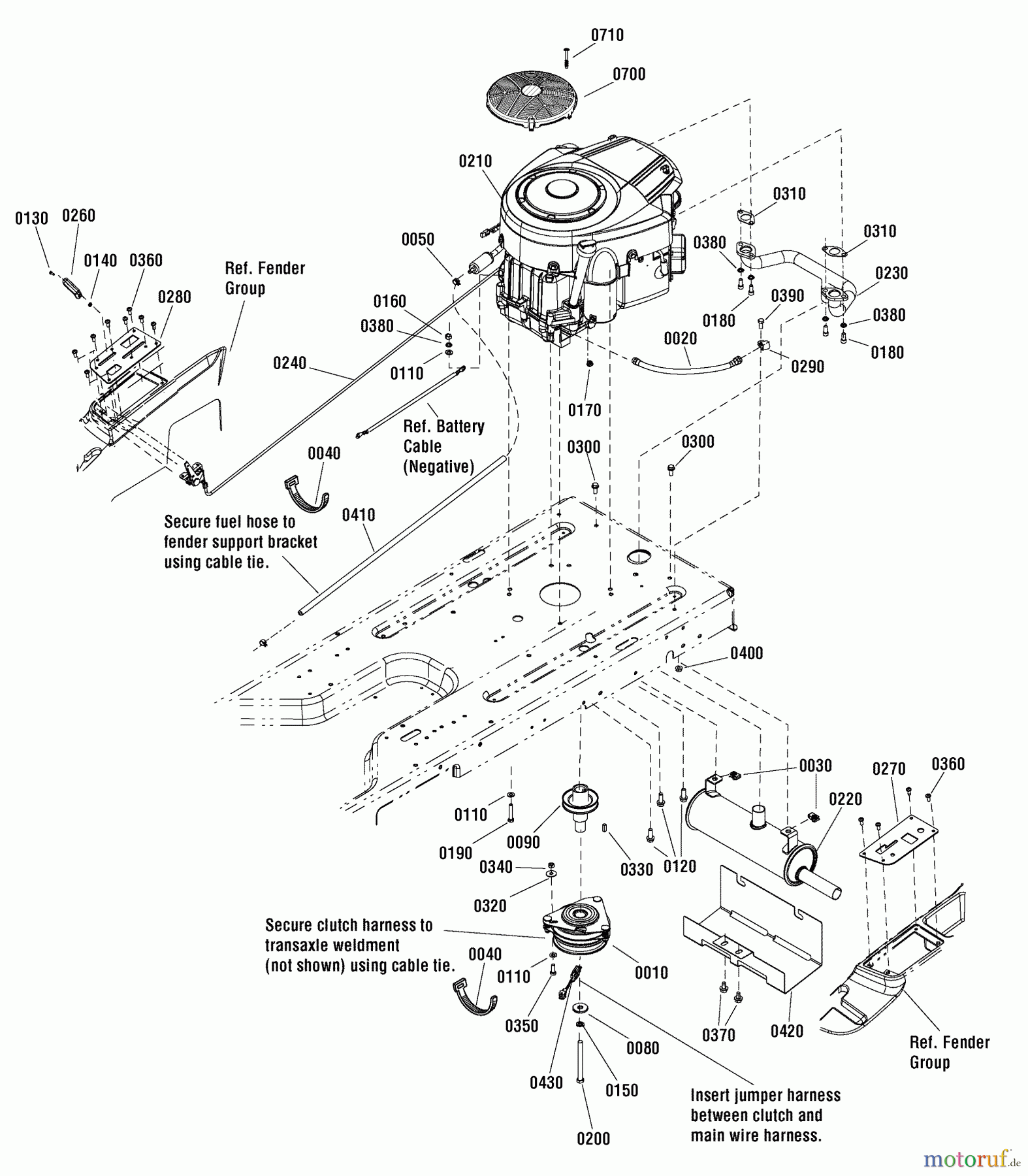
Murray C950-60107-1 (7800819A) - Craftsman ZTS7000, 26HP B&S w/52" Mower Deck (2011) (Sears) Engine Group - 26HP Briggs & Stratton (2990249) Ersatzteile
Engine Group - 26HP Briggs & Stratton (2990249) C950-60107-1 (7800819A) - Craftsman ZTS7000, 26HP B&S w/52" Mower Deck (2011) (Sears)

Hier finden Sie die Ersatzteilzeichnung für Murray Nullwendekreismäher, Zero-Turn C950-60107-1 (7800819A) - Craftsman ZTS7000, 26HP B&S w/52" Mower Deck (2011) (Sears) Engine Group - 26HP Briggs & Stratton (2990249). Wählen Sie das benötigte Ersatzteil aus der Ersatzteilliste Ihres Murray Gerätes aus und bestellen Sie einfach online. Viele Murray Ersatzteile halten wir ständig in unserem Lager für Sie bereit.


Qualitätsmanagement
Informieren Sie uns, wenn Sie einen Fehler gefunden haben.

