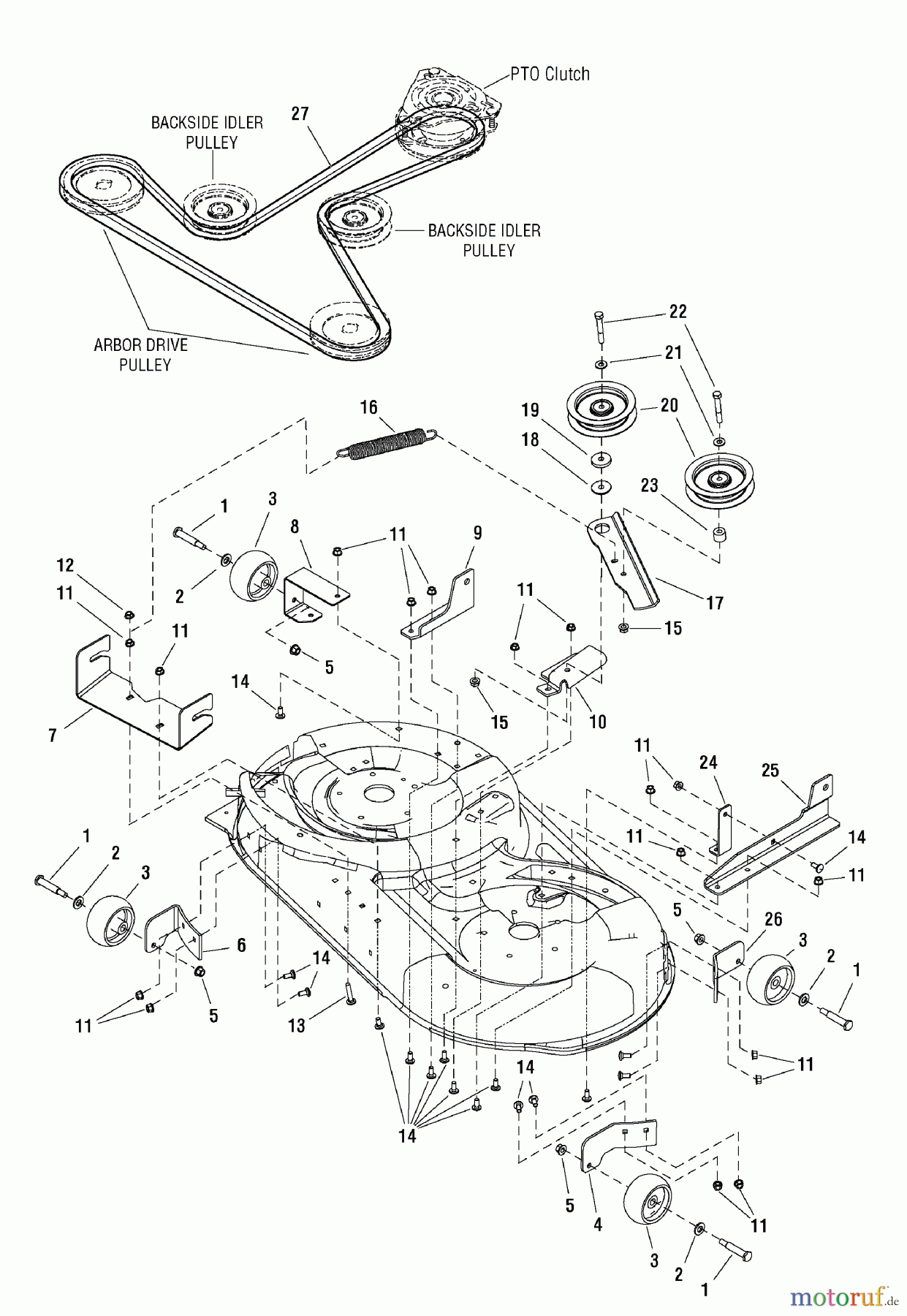
Murray 7800629 - E20M42, 20HP B&S w/42" Mower Deck (2010) 42" Mower Deck - Clutch & Support (7501167) Ersatzteile
42" Mower Deck - Clutch & Support (7501167) 7800629 - Murray E20M42, 20HP B&S w/42" Mower Deck (2010)

Hier finden Sie die Ersatzteilzeichnung für Murray Nullwendekreismäher, Zero-Turn 7800629 - Murray E20M42, 20HP B&S w/42" Mower Deck (2010) 42" Mower Deck - Clutch & Support (7501167). Wählen Sie das benötigte Ersatzteil aus der Ersatzteilliste Ihres Murray Gerätes aus und bestellen Sie einfach online. Viele Murray Ersatzteile halten wir ständig in unserem Lager für Sie bereit.


Qualitätsmanagement
Informieren Sie uns, wenn Sie einen Fehler gefunden haben.

