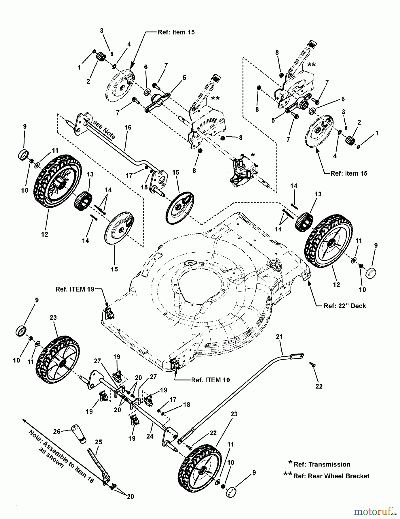
Murray NJS46 (LP7800646) - John Deere 22" Walk-Behind Mower (California) (2010) Group, Wheels, RWD, Single Point HOC Ersatzteile
Group, Wheels, RWD, Single Point HOC NJS46 (LP7800646) - John Deere 22" Walk-Behind Mower (California) (2010)

Hier finden Sie die Ersatzteilzeichnung für Murray Rasenmäher NJS46 (LP7800646) - John Deere 22" Walk-Behind Mower (California) (2010) Group, Wheels, RWD, Single Point HOC. Wählen Sie das benötigte Ersatzteil aus der Ersatzteilliste Ihres Murray Gerätes aus und bestellen Sie einfach online. Viele Murray Ersatzteile halten wir ständig in unserem Lager für Sie bereit.





