Murray JS36 (7800808) - John Deere 22" Walk-Behind Mower (2011) Engine Group (7501747) Ersatzteile
Engine Group (7501747) JS36 (7800808) - John Deere 22" Walk-Behind Mower (2011)

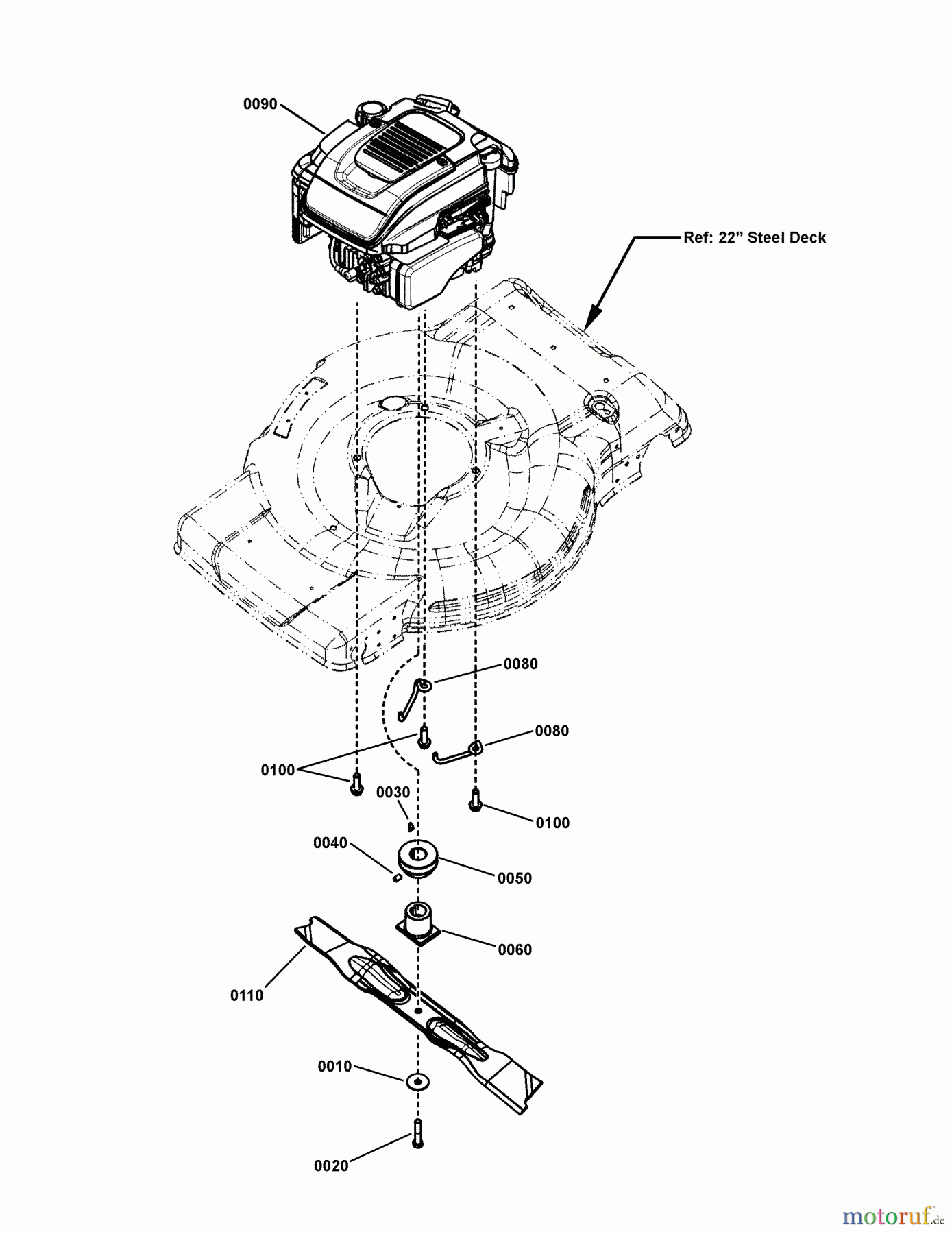
Hier finden Sie die Ersatzteilzeichnung für Murray Rasenmäher JS36 (7800808) - John Deere 22" Walk-Behind Mower (2011) Engine Group (7501747). Wählen Sie das benötigte Ersatzteil aus der Ersatzteilliste Ihres Murray Gerätes aus und bestellen Sie einfach online. Viele Murray Ersatzteile halten wir ständig in unserem Lager für Sie bereit.
| BildNr | Artikel Nummer | Bezeichnung | |
| 0010 | BS7012063SM | WASHER, CONE | |
| 0020 | BS7090167SM | HHCS, 3/8F X2 GR5 | |
| 0030 | BS7091214YP | KEY, #HP-506 HI-PRO | |
| 0040 | BS7092086YP | HRSS 5/16-18X1/2 | |
| 0050 | BS7100437YP | ROLLE, MOTOR | |
| 0060 | BS7101414YP | HUB, BLADE, 21 WBM | |
| 0080 | BS7103517YP | BELT GUIDE, ENG FWD | |
| 0090 | BS128T02-0119-B1 | ||
| 0100 | BS7900072YP | HWST, 3/8-16 X 1.25 | |
| 0110 | BS7104179AYP | BLADE, 22', WAVE | |


Qualitätsmanagement
Informieren Sie uns, wenn Sie einen Fehler gefunden haben.

