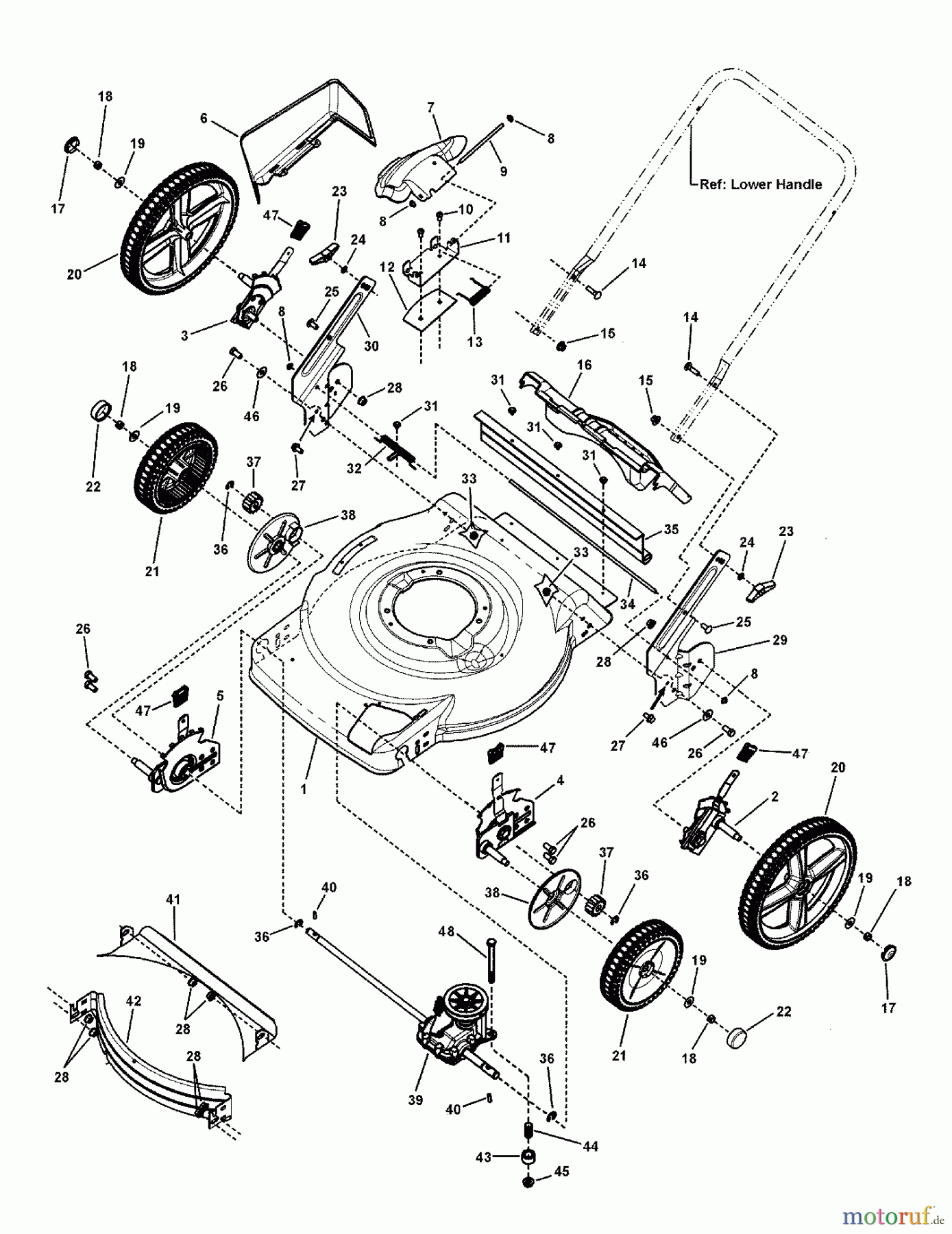
Murray EBTP22675HW (7800694) - Brute 22" Walk-Behind Mower (2010) Deck Assembly (Hi-Wheel) Ersatzteile
Deck Assembly (Hi-Wheel) EBTP22675HW (7800694) - Brute 22" Walk-Behind Mower (2010)

Hier finden Sie die Ersatzteilzeichnung für Murray Rasenmäher EBTP22675HW (7800694) - Brute 22" Walk-Behind Mower (2010) Deck Assembly (Hi-Wheel). Wählen Sie das benötigte Ersatzteil aus der Ersatzteilliste Ihres Murray Gerätes aus und bestellen Sie einfach online. Viele Murray Ersatzteile halten wir ständig in unserem Lager für Sie bereit.


Qualitätsmanagement
Informieren Sie uns, wenn Sie einen Fehler gefunden haben.


