Murray 261011x89A - Yard King Performance 26" Walk-Behind Mower (2002) Drive Assembly Ersatzteile
Drive Assembly 261011x89A - Yard King Performance 26" Walk-Behind Mower (2002)

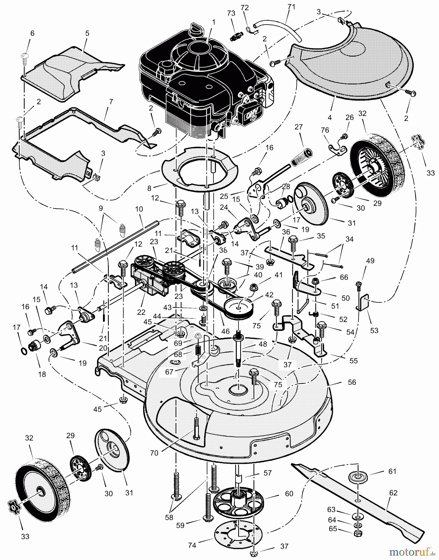
Hier finden Sie die Ersatzteilzeichnung für Murray Rasenmäher 261011x89A - Yard King Performance 26" Walk-Behind Mower (2002) Drive Assembly. Wählen Sie das benötigte Ersatzteil aus der Ersatzteilliste Ihres Murray Gerätes aus und bestellen Sie einfach online. Viele Murray Ersatzteile halten wir ständig in unserem Lager für Sie bereit.


Qualitätsmanagement
Informieren Sie uns, wenn Sie einen Fehler gefunden haben.







