Murray 228650x99A - B&S/ 22" Walk-Behind Mower (2003) (AAFES) Mower Housing Assembly Ersatzteile
Mower Housing Assembly 228650x99A - B&S/Murray 22" Walk-Behind Mower (2003) (AAFES)

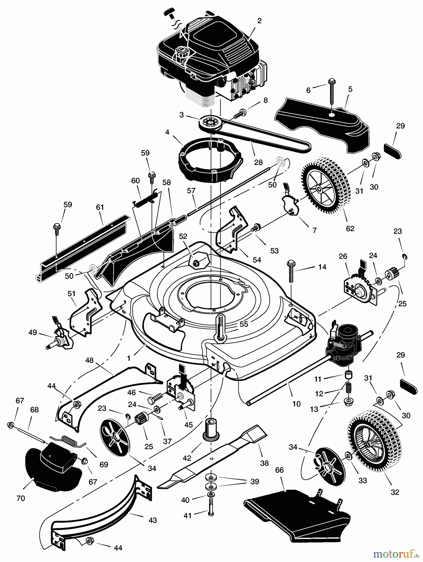
Hier finden Sie die Ersatzteilzeichnung für Murray Rasenmäher 228650x99A - B&S/Murray 22" Walk-Behind Mower (2003) (AAFES) Mower Housing Assembly. Wählen Sie das benötigte Ersatzteil aus der Ersatzteilliste Ihres Murray Gerätes aus und bestellen Sie einfach online. Viele Murray Ersatzteile halten wir ständig in unserem Lager für Sie bereit.


Qualitätsmanagement
Informieren Sie uns, wenn Sie einen Fehler gefunden haben.



