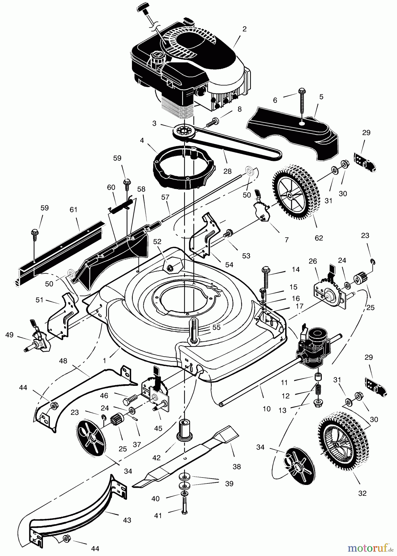
Murray 228511x8D - Scotts 22" Walk-Behind Mower (2003) (Home Depot) Mower Housing Assembly Ersatzteile
Mower Housing Assembly 228511x8D - Scotts 22" Walk-Behind Mower (2003) (Home Depot)

Hier finden Sie die Ersatzteilzeichnung für Murray Rasenmäher 228511x8D - Scotts 22" Walk-Behind Mower (2003) (Home Depot) Mower Housing Assembly. Wählen Sie das benötigte Ersatzteil aus der Ersatzteilliste Ihres Murray Gerätes aus und bestellen Sie einfach online. Viele Murray Ersatzteile halten wir ständig in unserem Lager für Sie bereit.


Qualitätsmanagement
Informieren Sie uns, wenn Sie einen Fehler gefunden haben.



