Murray 309008x99B - B&S/ 30" Mid-Engine Rider (2005) (AAFES) Electrical System Ersatzteile
Electrical System 309008x99B - B&S/Murray 30" Mid-Engine Rider (2005) (AAFES)

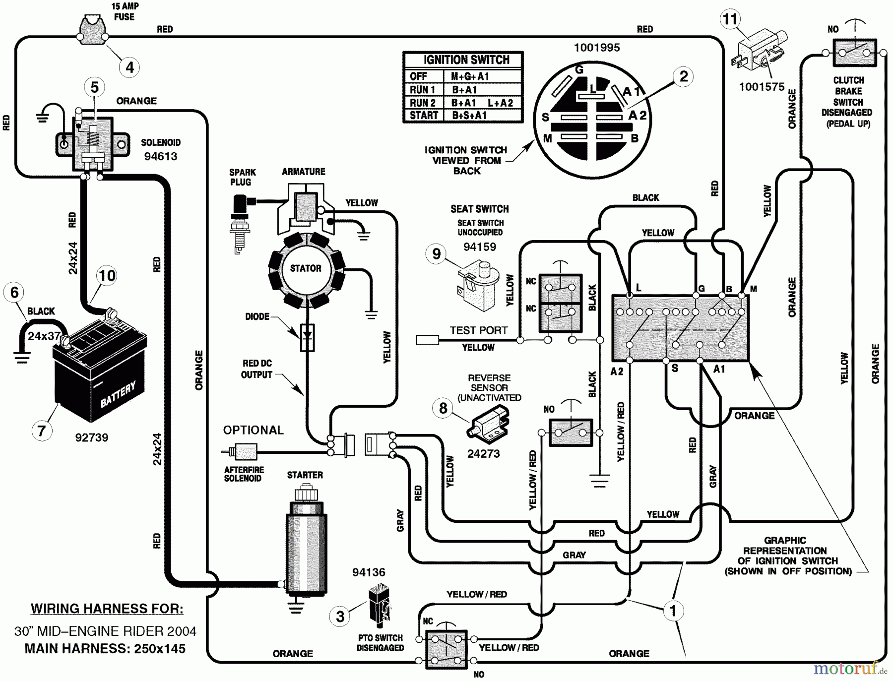
Hier finden Sie die Ersatzteilzeichnung für Murray Reitermäher 309008x99B - B&S/Murray 30" Mid-Engine Rider (2005) (AAFES) Electrical System. Wählen Sie das benötigte Ersatzteil aus der Ersatzteilliste Ihres Murray Gerätes aus und bestellen Sie einfach online. Viele Murray Ersatzteile halten wir ständig in unserem Lager für Sie bereit.


Qualitätsmanagement
Informieren Sie uns, wenn Sie einen Fehler gefunden haben.

