Murray 309000x8A - Scotts 30" Mid-Engine Rider (2003) (Home Depot) Motion Drive Ersatzteile
Motion Drive 309000x8A - Scotts 30" Mid-Engine Rider (2003) (Home Depot)

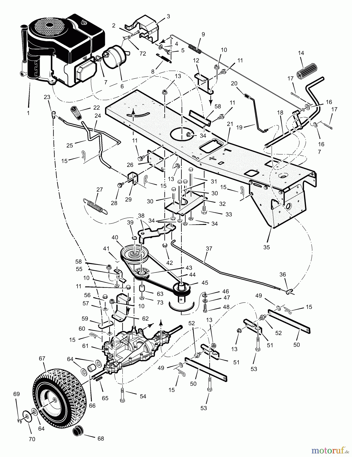
Hier finden Sie die Ersatzteilzeichnung für Murray Reitermäher 309000x8A - Scotts 30" Mid-Engine Rider (2003) (Home Depot) Motion Drive. Wählen Sie das benötigte Ersatzteil aus der Ersatzteilliste Ihres Murray Gerätes aus und bestellen Sie einfach online. Viele Murray Ersatzteile halten wir ständig in unserem Lager für Sie bereit.





