Murray 30577x31B - Scotts 30" Rear Engine Riders (2000) (Home Depot) Electrical System Ersatzteile
Electrical System 30577x31B - Scotts 30" Rear Engine Riders (2000) (Home Depot)

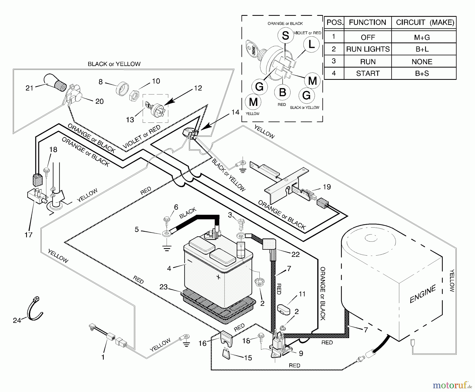
Hier finden Sie die Ersatzteilzeichnung für Murray Reitermäher 30577x31B - Scotts 30" Rear Engine Riders (2000) (Home Depot) Electrical System. Wählen Sie das benötigte Ersatzteil aus der Ersatzteilliste Ihres Murray Gerätes aus und bestellen Sie einfach online. Viele Murray Ersatzteile halten wir ständig in unserem Lager für Sie bereit.


Qualitätsmanagement
Informieren Sie uns, wenn Sie einen Fehler gefunden haben.

