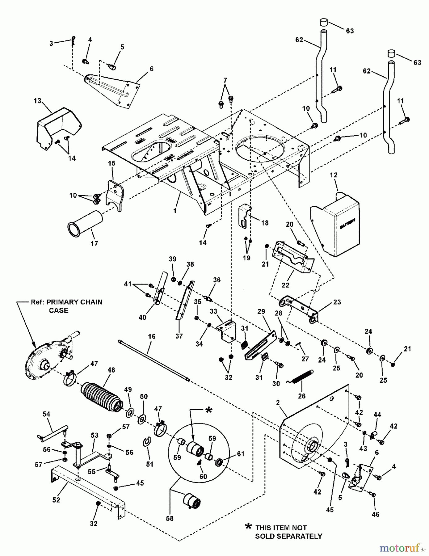
Murray 107.280341 (7800669A) - Craftsman 28" Rear Engine Rider, 12.5HP (2011) (Sears) Main Case, LH Fender & Yoke Lift Group Ersatzteile
Main Case, LH Fender & Yoke Lift Group 107.280341 (7800669A) - Craftsman 28" Rear Engine Rider, 12.5HP (2011) (Sears)

Hier finden Sie die Ersatzteilzeichnung für Murray Reitermäher 107.280341 (7800669A) - Craftsman 28" Rear Engine Rider, 12.5HP (2011) (Sears) Main Case, LH Fender & Yoke Lift Group. Wählen Sie das benötigte Ersatzteil aus der Ersatzteilliste Ihres Murray Gerätes aus und bestellen Sie einfach online. Viele Murray Ersatzteile halten wir ständig in unserem Lager für Sie bereit.


Qualitätsmanagement
Informieren Sie uns, wenn Sie einen Fehler gefunden haben.


