Murray G4315110 - 43" Lawn Tractor (1997) Front Chassis & Hood Assembly Ersatzteile
Front Chassis & Hood Assembly G4315110 - Murray 43" Lawn Tractor (1997)

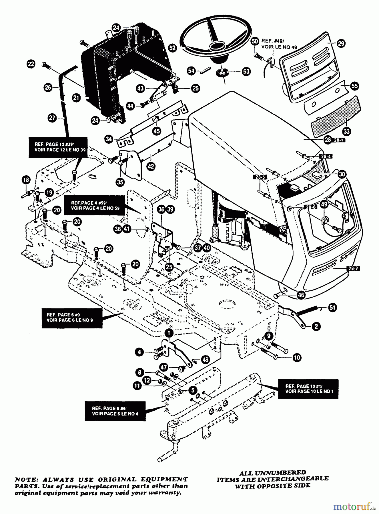
Hier finden Sie die Ersatzteilzeichnung für Murray Rasen- und Gartentraktoren G4315110 - Murray 43" Lawn Tractor (1997) Front Chassis & Hood Assembly. Wählen Sie das benötigte Ersatzteil aus der Ersatzteilliste Ihres Murray Gerätes aus und bestellen Sie einfach online. Viele Murray Ersatzteile halten wir ständig in unserem Lager für Sie bereit.
| BildNr | Artikel Nummer | Bezeichnung | |
| 1 | BS326203-853 | ||
| 2 | BS326204-853 | ||
| 4 | BS56030 | ||
| 5 | BS55273MA | NUT, 5/16-18 WDFLLKLR | |
| 8 | BS308207 | ||
| 9 | BS309008 | ||
| 10 | BS180138MA | SCHRAUBE 3/8-16X3 | |
| 11 | BS782214MA | UNTERLEGSCHEIBE, BELLEVILLE | |
| 12 | BS1499MA | MUTTER, 3/8-16 REGHXCTRL | |
| 18 | BS46763 | ||
| 19 | BS35497 | ||
| 20 | BS995346 | ||
| 21 | BS334797 | ||
| 22 | BS318304 | ||
| 24 | BS155941 | ||
| 25 | BS308459MA | 71175410-24 HXHDNYLK | |
| 26 | BS328141 | ||
| 27 | BS328142 | ||
| 28 | BS336511 | ||
| 28-1 | BS334380 | ||
| 28-2 | BS334380 | ||
| 28-4 | BS329238 | ||
| 28-5 | BS333225 | ||
| 28-6 | BS303041MA | WASHER, FLAT | |
| 29 | BS331919 | ||
| 30 | BS306857MA | CLIP, TINNERMAN VER I | |
| 33 | BS330914 | ||
| 34 | BS324909-853 | ||
| 35 | BS40886MA | SCREW | |
| 36 | BS326320-853 | ||
| 37 | BS302628MA | SCHRAUBE, 1/4-20X .75 HH | |
| 38 | BS1502 | ||
| 39 | BS326321-853 | ||
| 40 | BS180020 | ||
| 41 | BS1502 | ||
| 42 | BS326640-853 | ||
| 43 | BS327039-853 | ||
| 44 | BS180020 | ||
| 45 | BS1502 | ||
| 46 | BS711756MA | GABELKOPFBOLZEN .500X.49/. | |
| 47 | BS326522MA | BRNG HOOD .505IDX.625 | |
| 48 | BS8260 | ||
| 49 | BS311094 | ||
| 50 | BS49050 | ||
| 51 | BS | Eingangswelle UE 600 | |
| 52 | BS330848MA | WHEEL,STEER 14'' LONGHU | |
| 53 | BS317509 | ||
| 54 | BS456378MA | PIN, SPRING | |
| 55 | BS333275 | ||
| -- | BS340137 | ||



