Murray G4315010 - 43" Lawn Tractor (1997) Final Deck Assembly Ersatzteile
Final Deck Assembly G4315010 - Murray 43" Lawn Tractor (1997)

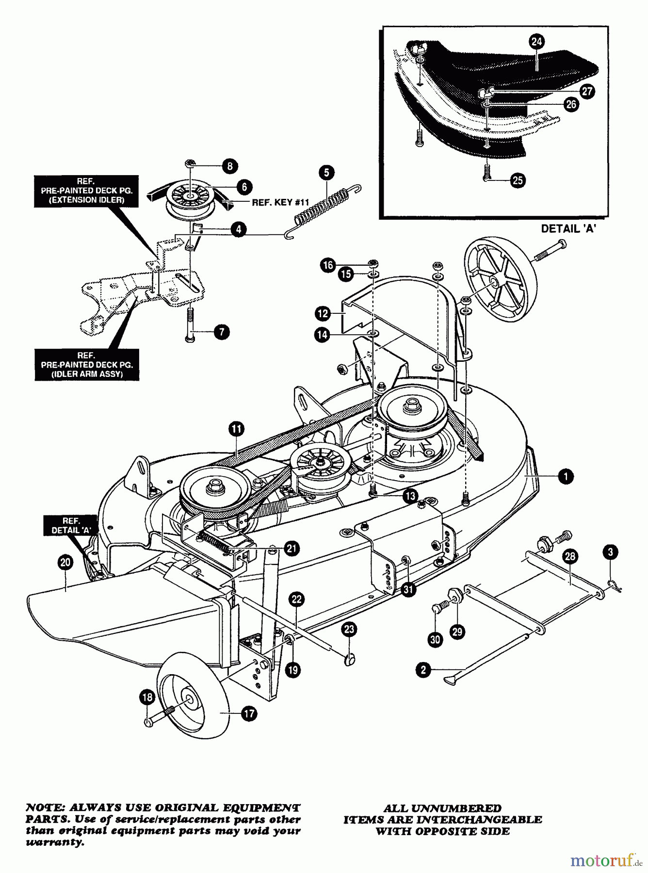
Hier finden Sie die Ersatzteilzeichnung für Murray Rasen- und Gartentraktoren G4315010 - Murray 43" Lawn Tractor (1997) Final Deck Assembly. Wählen Sie das benötigte Ersatzteil aus der Ersatzteilliste Ihres Murray Gerätes aus und bestellen Sie einfach online. Viele Murray Ersatzteile halten wir ständig in unserem Lager für Sie bereit.



