Murray 7800738 (96042010400) - Yard King 48" Lawn Tractor, 23HP (2011) Seat Group (7800738seat) Ersatzteile
Seat Group (7800738seat) 7800738 (96042010400) - Yard King 48" Lawn Tractor, 23HP (2011)

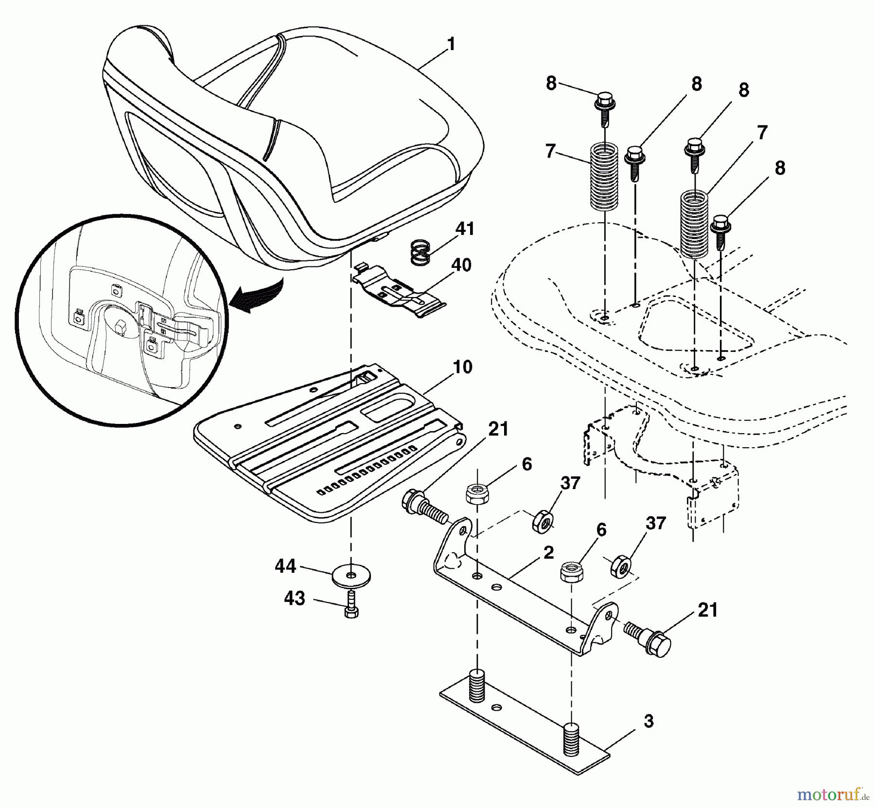
Hier finden Sie die Ersatzteilzeichnung für Murray Rasen- und Gartentraktoren 7800738 (96042010400) - Yard King 48" Lawn Tractor, 23HP (2011) Seat Group (7800738seat). Wählen Sie das benötigte Ersatzteil aus der Ersatzteilliste Ihres Murray Gerätes aus und bestellen Sie einfach online. Viele Murray Ersatzteile halten wir ständig in unserem Lager für Sie bereit.
| BildNr | Artikel Nummer | Bezeichnung | |
| 1 | BS406625 | ||
| 2 | BS180166 | ||
| 3 | BS140675 | ||
| 6 | BS73800600 | ||
| 7 | BS124181X | ||
| 8 | BS171877 | ||
| 10 | BS196977 | ||
| 21 | BS171852 | ||
| 37 | BS73800500 | ||
| 40 | BS197661 | ||
| 41 | BS198200 | ||
| 43 | BS74760612 | ||
| 44 | BS19133812 | ||


Qualitätsmanagement
Informieren Sie uns, wenn Sie einen Fehler gefunden haben.

