Murray 521000x71A - B&S/ 52" Garden Tractor (2001) (Quality Stores) Motion Drive Ersatzteile
Motion Drive 521000x71A - B&S/Murray 52" Garden Tractor (2001) (Quality Stores)

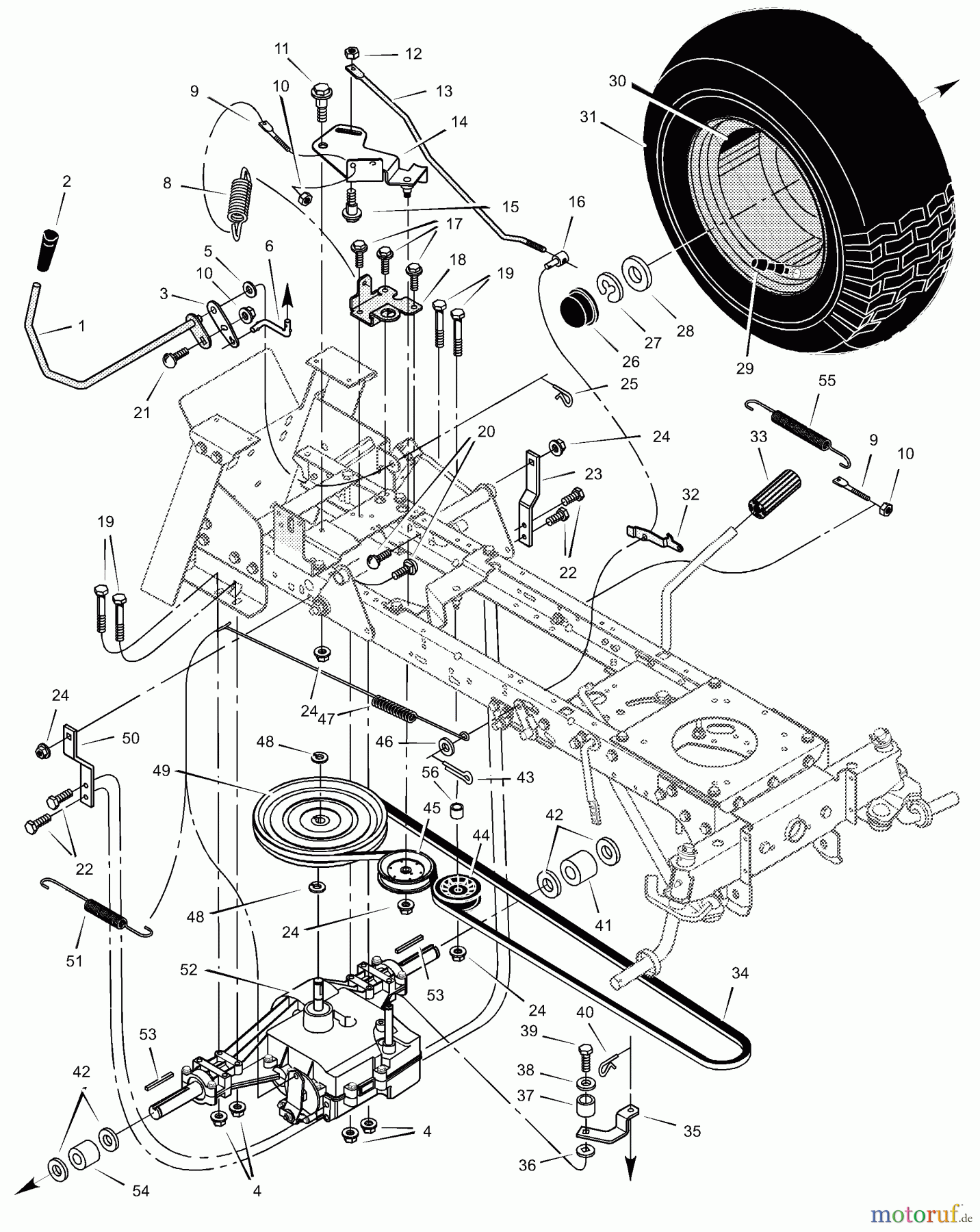
Hier finden Sie die Ersatzteilzeichnung für Murray Rasen- und Gartentraktoren 521000x71A - B&S/Murray 52" Garden Tractor (2001) (Quality Stores) Motion Drive. Wählen Sie das benötigte Ersatzteil aus der Ersatzteilliste Ihres Murray Gerätes aus und bestellen Sie einfach online. Viele Murray Ersatzteile halten wir ständig in unserem Lager für Sie bereit.


Qualitätsmanagement
Informieren Sie uns, wenn Sie einen Fehler gefunden haben.





