Murray 46567x6A - Ultra 46" Lawn Tractor (1997) Chassis & Hood Ersatzteile
Chassis & Hood 46567x6A - Murray Ultra 46" Lawn Tractor (1997)

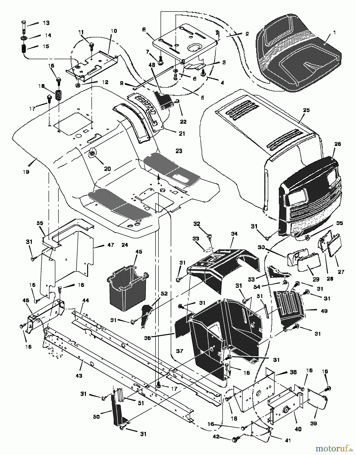
Hier finden Sie die Ersatzteilzeichnung für Murray Rasen- und Gartentraktoren 46567x6A - Murray Ultra 46" Lawn Tractor (1997) Chassis & Hood. Wählen Sie das benötigte Ersatzteil aus der Ersatzteilliste Ihres Murray Gerätes aus und bestellen Sie einfach online. Viele Murray Ersatzteile halten wir ständig in unserem Lager für Sie bereit.


Qualitätsmanagement
Informieren Sie uns, wenn Sie einen Fehler gefunden haben.


