Murray 465619x71A - B&S/ 46" Lawn Tractor (2001) (Quality Stores) Drive Assembly Ersatzteile
Drive Assembly 465619x71A - B&S/Murray 46" Lawn Tractor (2001) (Quality Stores)

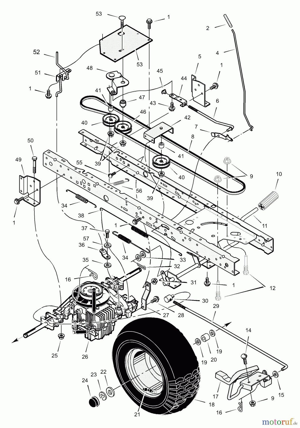
Hier finden Sie die Ersatzteilzeichnung für Murray Rasen- und Gartentraktoren 465619x71A - B&S/Murray 46" Lawn Tractor (2001) (Quality Stores) Drive Assembly. Wählen Sie das benötigte Ersatzteil aus der Ersatzteilliste Ihres Murray Gerätes aus und bestellen Sie einfach online. Viele Murray Ersatzteile halten wir ständig in unserem Lager für Sie bereit.







