Murray 46560x92A - B&S/ 46" Lawn Tractor (1997) (Walmart) Engine Mount Ersatzteile
Engine Mount 46560x92A - B&S/Murray 46" Lawn Tractor (1997) (Walmart)

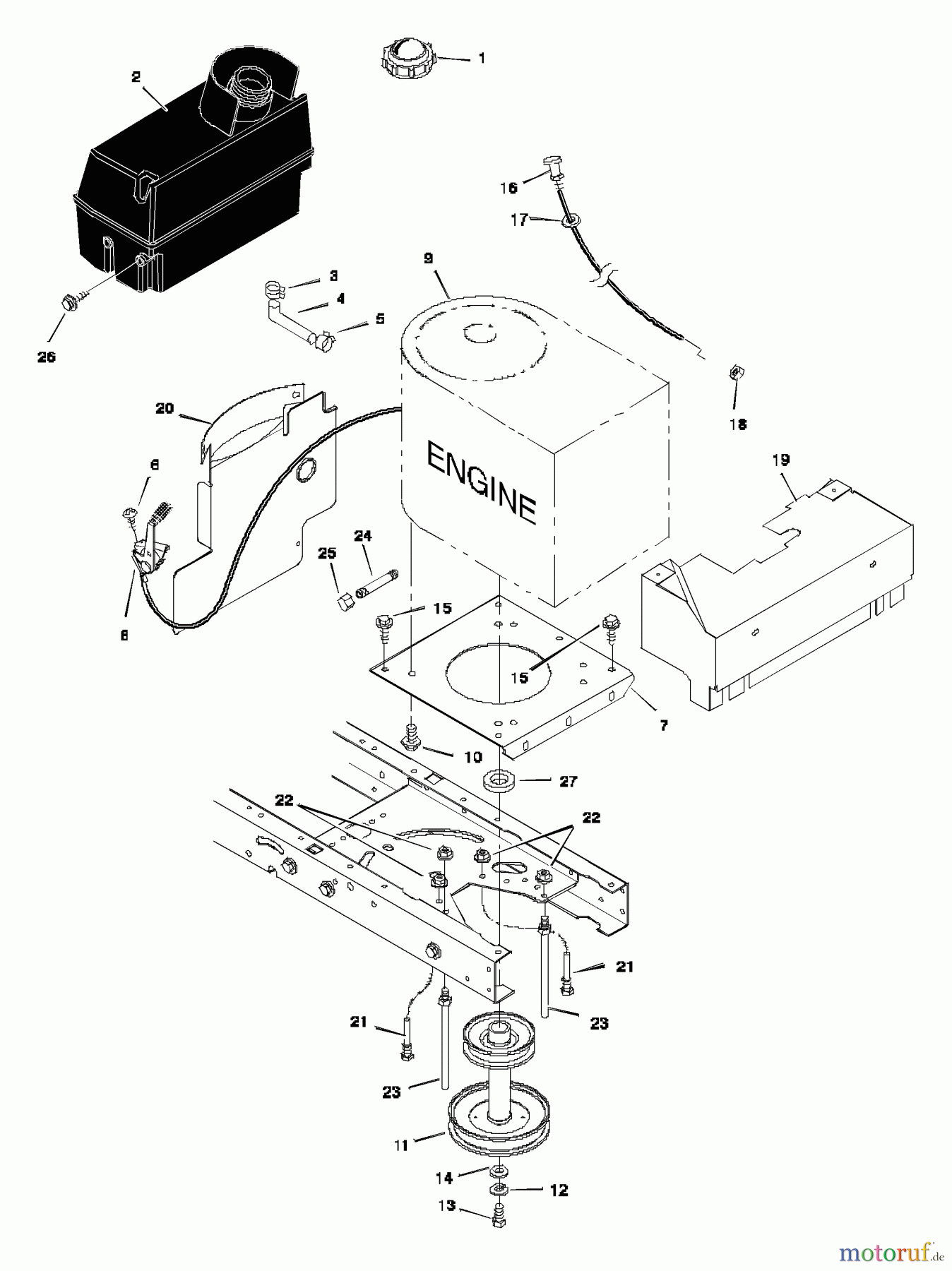
Hier finden Sie die Ersatzteilzeichnung für Murray Rasen- und Gartentraktoren 46560x92A - B&S/Murray 46" Lawn Tractor (1997) (Walmart) Engine Mount. Wählen Sie das benötigte Ersatzteil aus der Ersatzteilliste Ihres Murray Gerätes aus und bestellen Sie einfach online. Viele Murray Ersatzteile halten wir ständig in unserem Lager für Sie bereit.


Qualitätsmanagement
Informieren Sie uns, wenn Sie einen Fehler gefunden haben.

