Murray 465602x8A - Scotts 46" Lawn Tractor (2001) (Home Depot) Drive Assembly Ersatzteile
Drive Assembly 465602x8A - Scotts 46" Lawn Tractor (2001) (Home Depot)

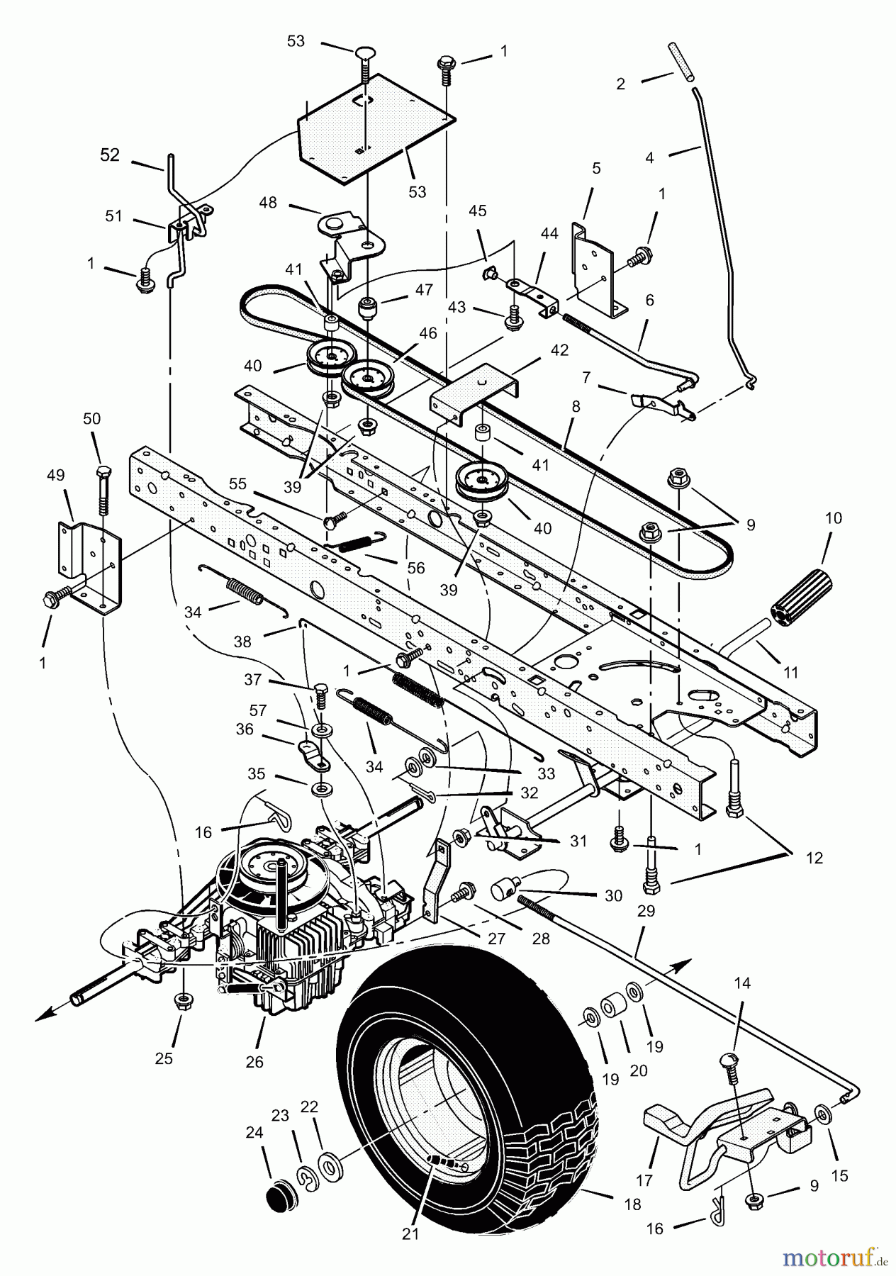
Hier finden Sie die Ersatzteilzeichnung für Murray Rasen- und Gartentraktoren 465602x8A - Scotts 46" Lawn Tractor (2001) (Home Depot) Drive Assembly. Wählen Sie das benötigte Ersatzteil aus der Ersatzteilliste Ihres Murray Gerätes aus und bestellen Sie einfach online. Viele Murray Ersatzteile halten wir ständig in unserem Lager für Sie bereit.







