Murray 46379x192B - B&S/ 46" Garden Tractor (1997) (Walmart) Hood & Engine Mount Ersatzteile
Hood & Engine Mount 46379x192B - B&S/Murray 46" Garden Tractor (1997) (Walmart)

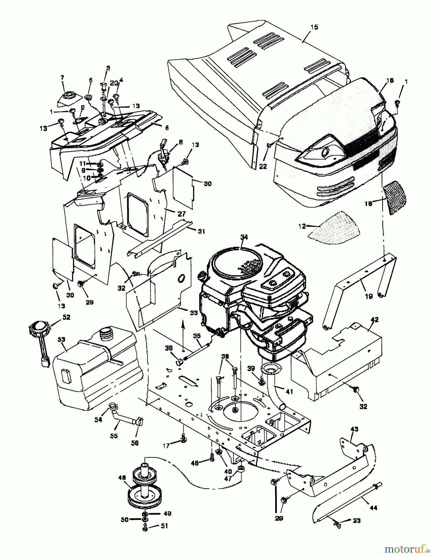
Hier finden Sie die Ersatzteilzeichnung für Murray Rasen- und Gartentraktoren 46379x192B - B&S/Murray 46" Garden Tractor (1997) (Walmart) Hood & Engine Mount. Wählen Sie das benötigte Ersatzteil aus der Ersatzteilliste Ihres Murray Gerätes aus und bestellen Sie einfach online. Viele Murray Ersatzteile halten wir ständig in unserem Lager für Sie bereit.


Qualitätsmanagement
Informieren Sie uns, wenn Sie einen Fehler gefunden haben.


