Murray 461604x99A - B&S/ 46" Garden Tractor (2004) (AAFES) Motion Drive Ersatzteile
Motion Drive 461604x99A - B&S/Murray 46" Garden Tractor (2004) (AAFES)

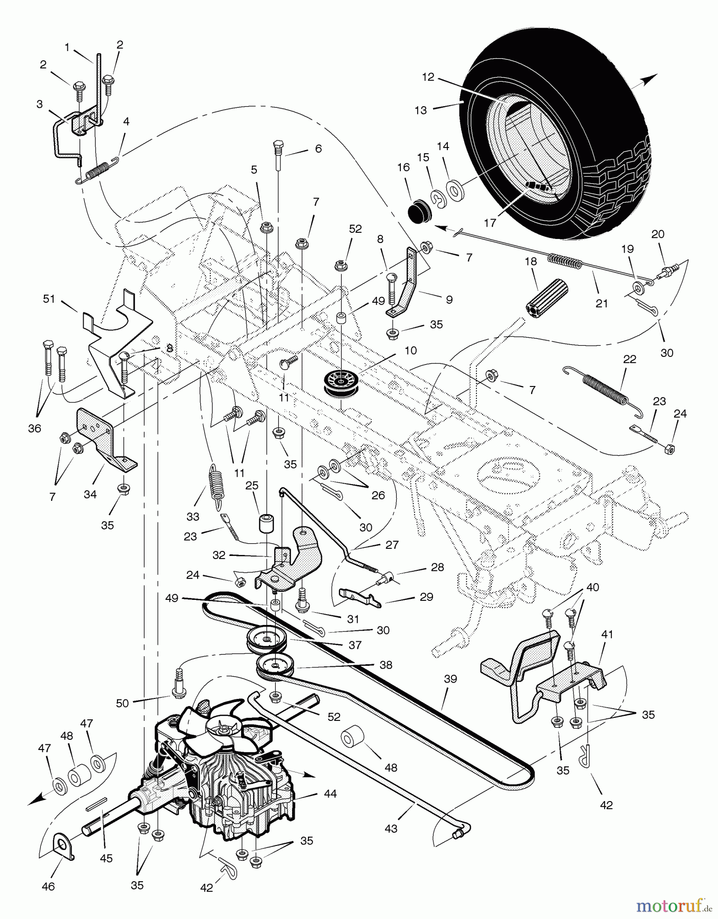
Hier finden Sie die Ersatzteilzeichnung für Murray Rasen- und Gartentraktoren 461604x99A - B&S/Murray 46" Garden Tractor (2004) (AAFES) Motion Drive. Wählen Sie das benötigte Ersatzteil aus der Ersatzteilliste Ihres Murray Gerätes aus und bestellen Sie einfach online. Viele Murray Ersatzteile halten wir ständig in unserem Lager für Sie bereit.





