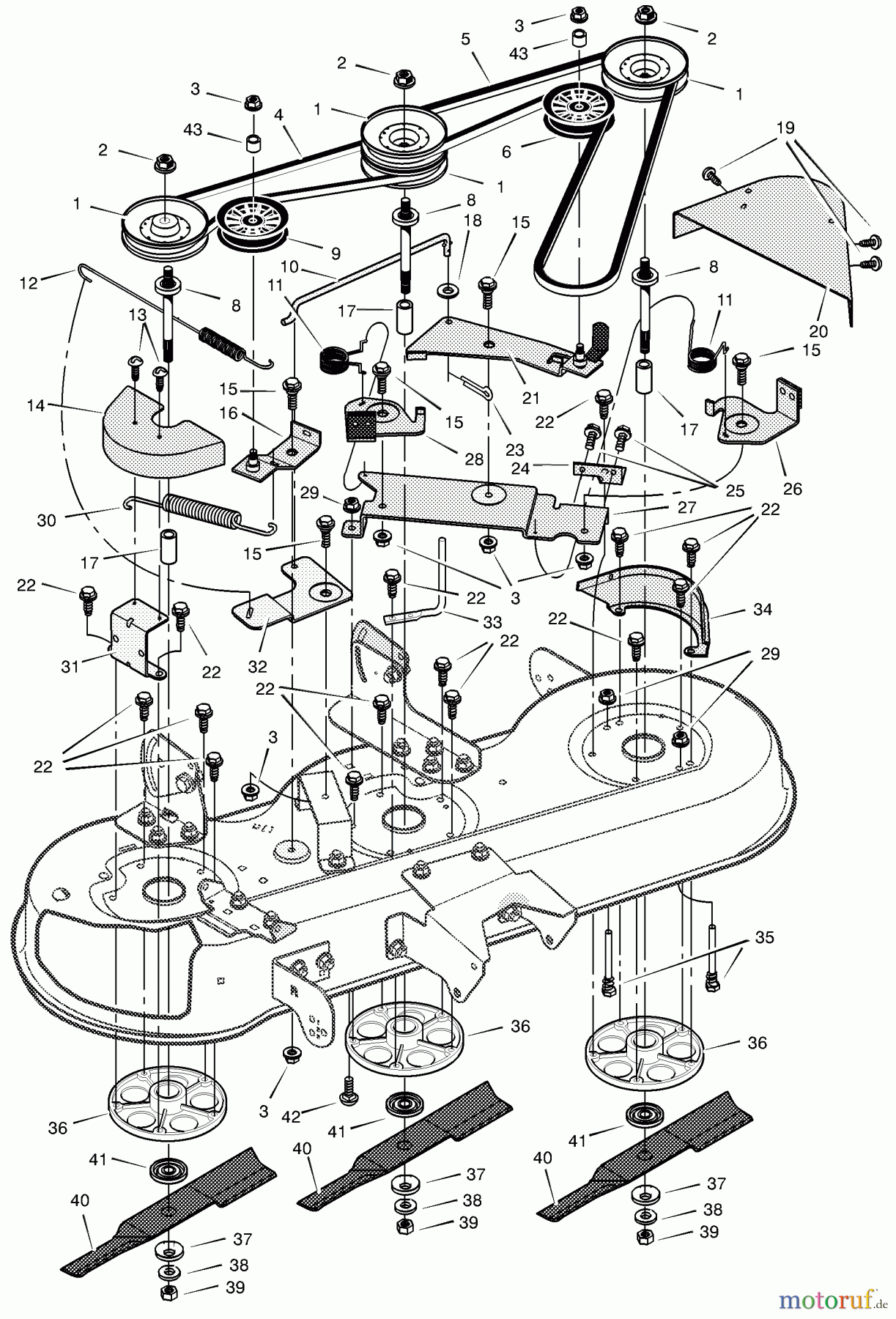
Murray 461018x99A - B&S/ 46" Garden Tractor (2001) (AAFES) Blade Drive Ersatzteile
Blade Drive 461018x99A - B&S/Murray 46" Garden Tractor (2001) (AAFES)

Hier finden Sie die Ersatzteilzeichnung für Murray Rasen- und Gartentraktoren 461018x99A - B&S/Murray 46" Garden Tractor (2001) (AAFES) Blade Drive. Wählen Sie das benötigte Ersatzteil aus der Ersatzteilliste Ihres Murray Gerätes aus und bestellen Sie einfach online. Viele Murray Ersatzteile halten wir ständig in unserem Lager für Sie bereit.








