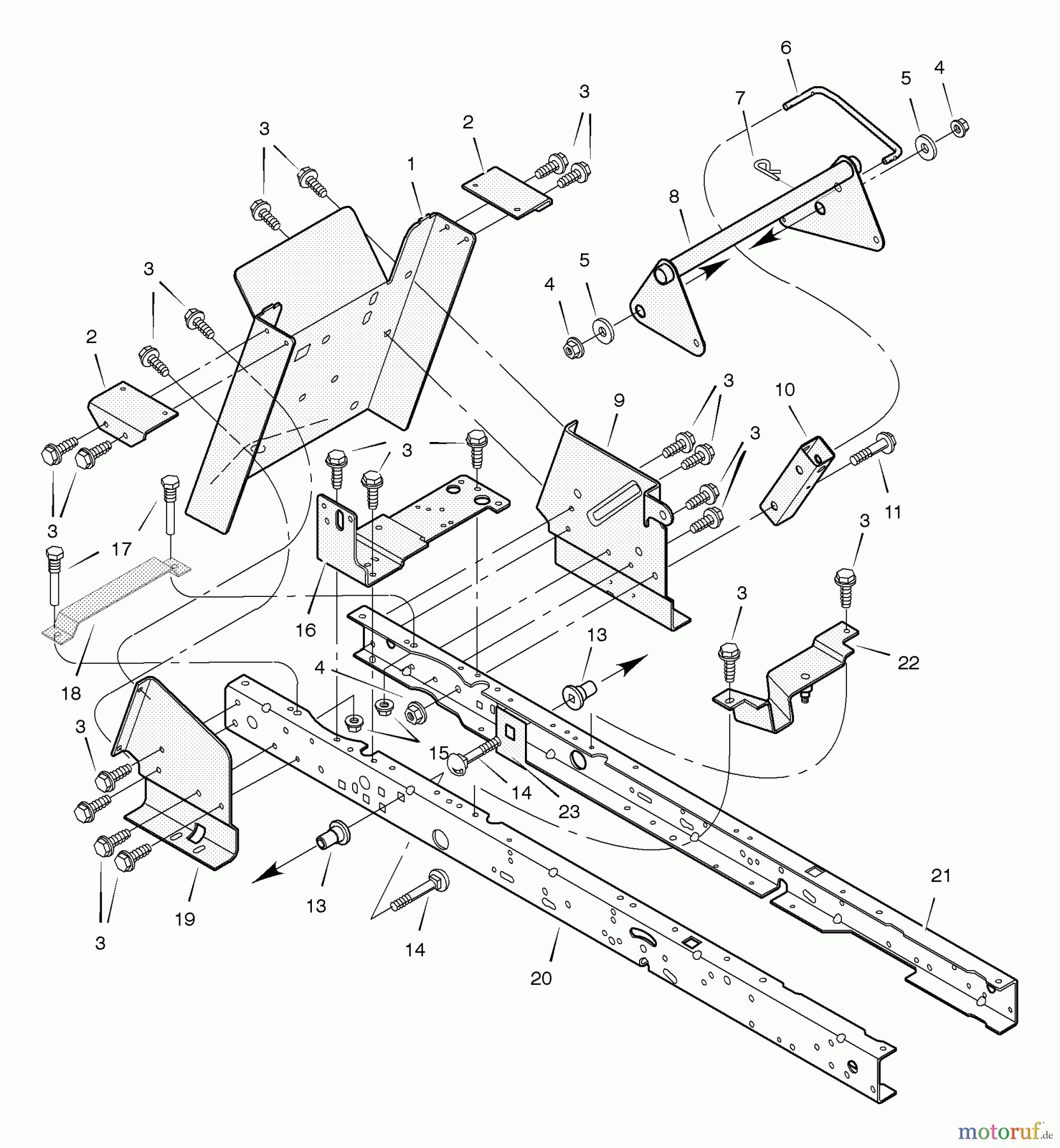
Murray 461008x692A - Stanley 46" Garden Tractor (2003) Rear Frame Assembly Ersatzteile
Rear Frame Assembly 461008x692A - Stanley 46" Garden Tractor (2003)

Hier finden Sie die Ersatzteilzeichnung für Murray Rasen- und Gartentraktoren 461008x692A - Stanley 46" Garden Tractor (2003) Rear Frame Assembly. Wählen Sie das benötigte Ersatzteil aus der Ersatzteilliste Ihres Murray Gerätes aus und bestellen Sie einfach online. Viele Murray Ersatzteile halten wir ständig in unserem Lager für Sie bereit.


Qualitätsmanagement
Informieren Sie uns, wenn Sie einen Fehler gefunden haben.

