Murray 461000x71A - B&S/ 46" Garden Tractor (2001) (Quality Stores) Engine Mount Assembly Ersatzteile
Engine Mount Assembly 461000x71A - B&S/Murray 46" Garden Tractor (2001) (Quality Stores)

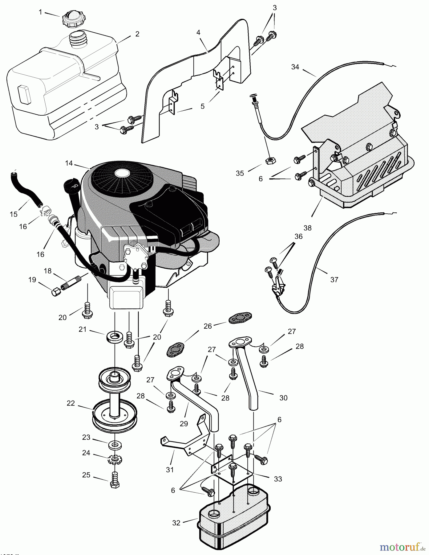
Hier finden Sie die Ersatzteilzeichnung für Murray Rasen- und Gartentraktoren 461000x71A - B&S/Murray 46" Garden Tractor (2001) (Quality Stores) Engine Mount Assembly. Wählen Sie das benötigte Ersatzteil aus der Ersatzteilliste Ihres Murray Gerätes aus und bestellen Sie einfach online. Viele Murray Ersatzteile halten wir ständig in unserem Lager für Sie bereit.


Qualitätsmanagement
Informieren Sie uns, wenn Sie einen Fehler gefunden haben.

